ABLIC S-19630A CMOS Operational Amplifier

ABLIC S-19630A CMOS Operational Amplifier is an automotive, 125°C operation, low input, offset voltage, CMOS operational amplifier in a small package. The zero-drift operational amplifier features Rail-to-Rail input and output and utilizes chopper-stabilizing techniques to deliver low input offset voltage. The ABLIC S-19630AB Amp provides dual operation (2 circuits), which is suitable for applications requiring less offset voltage.

Features

  • VIO = +50μV max. (Ta = −40°C to +125°C) Low input offset voltage
  • ΔVIO/ΔTa ±25nV/°C typ. (VDD = 30V, Ta = −40°C to +125°C) Low input offset voltage drift
  • VDD = 4.0V to 36.0V Operation power supply voltage range
  • IDD = 250μA typ. Low current consumption (Per circuit)
  • VNOISE_pp = 0.8μVpp typ. (f = 0.1Hz to 10Hz) Low input noise voltage
  • VNOISE = 25nV/√Hz typ. (f = 1kHz) Low input noise voltage density
  • Built-in output current limit circuit, overcurrent limit when output pin is short-circuited
  • Internal phase compensation with no external parts required
  • Rail-to-Rail input and output
  • Ta = −40°C to +125°C Operation temperature range
  • Lead-free (Sn 100%), halogen-free
  • AEC-Q100 qualified

Applications

  • High-accuracy current detection
  • Various sensor interfaces
  • Strain gauge amplifier

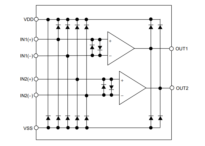
Block Diagram

Block Diagram - ABLIC S-19630A CMOS Operational Amplifier

Pin Assignments

Chart - ABLIC S-19630A CMOS Operational Amplifier

Infographic

Infographic - ABLIC S-19630A CMOS Operational Amplifier
Published: 2022-08-11 | Updated: 2022-08-12