ams OSRAM OSTAR® Stage LE RTDUW S2WN Compact Light Sources
ams OSRAM OSTAR® Stage LE RTDUW S2WN Compact Light Sources feature 3B corrosion robustness class and 120° (Lambertian emitter) typical radiation. These compact light sources offer thin film / UX:3 chip technology. The LE RTDUW S2WN compact light sources feature a multi-chip SMT technology with a glass window on top package. These compact light sources enable the highest flexibility for efficient optics and physical design and help designers to save size and space. The LE RTDUW S2WN compact light sources are ideal for the spotlight, wash light, and other creative lighting arrangements. These compact light sources feature a flat profile, high luminance, and high current density capability. The LE RTDUW S2WN compact light sources operate at -40°C to 85°C temperature range and 200mA reverse current. These compact light sources are ideally used in entertainment, architecture lighting, utility vehicle, off-road vehicle, and portable light.Features
- Thinfilm / UX:3 chip technology
- Compact light source in multi-chip SMT technology with a glass window on the top package
- 120° (Lambertian emitter) typical radiation
- 3B corrosion robustness class
- High current density capability
- High-driving current chip technology provides high-lumen output
- New chip and package technology provides high reliability at a high driving current
- Off-the-shelf optics available for easy implementation
Specifications
- -40°C to 85°C operating temperature range
- -40°C to 85°C storage temperature range
- 200mA reverse current
- 2kV ESD withstand voltage
Applications
- Stage lighting
- Architecture lighting
- Utility vehicle
- Off-road vehicle
- Portable light
- Medical light
- Machine vision
- Entertainment
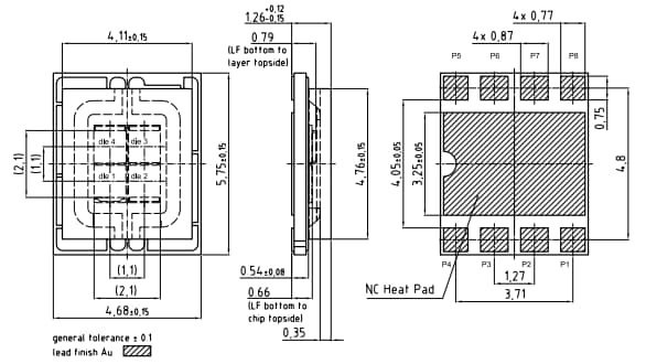
Dimension Diagram
Additional Resources
Published: 2022-11-16
| Updated: 2024-06-18
