Analog Devices Inc. ADRF5534 RF Front-End Multichip Modules

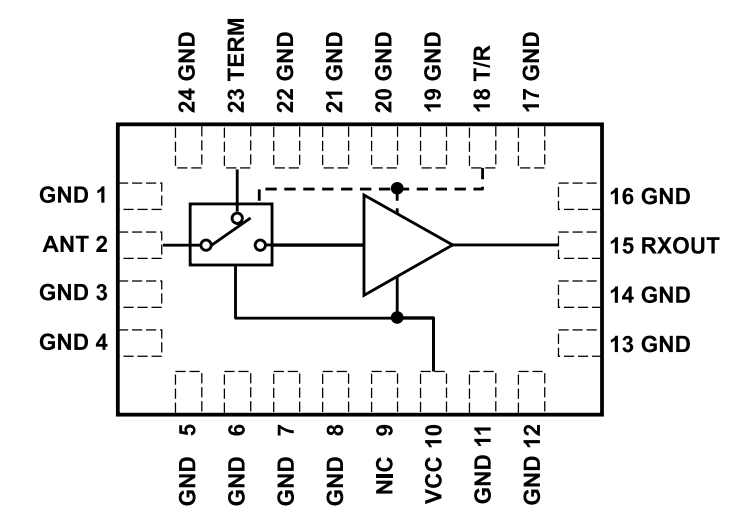
Analog Devices Inc. ADRF5534 RF Front-End Multichip Modules are designed for Time Division Duplex (TDD) applications and operate within the 3.1GHz to 4.2GHz frequency range. These multichip modules are configured with an LNA and a high-power silicon SPDT switch. The LNA offers a low Noise Figure (NF) of 1.3dB and a high gain of 35.5dB with a third-order input intercept point (IIP3) of −4dBm in the receive operation. The switch provides a low insertion loss of 0.8dB and handles a Long-Term Evolution (LTE) average power of 37dBm for complete lifetime operation in the transmit operation. The ADRF5534 RF front-end multichip modules are ideal for wireless infrastructure, TDD-based communication systems, and TDD massive Multiple Input and Multiple Output (MIMO), and active antenna systems.

Features

  • Integrated RF front end:
  • LNA and high-power silicon SPDT switch
  • On-chip bias and matching
  • Single-supply operation
  • 35.5dB typical gain @ 3.6GHz
  • 1.5dB gain flatness @ 25°C across 400MHz bandwidth
  • 1.3dB typical low noise figure @ 3.6GHz
  • 0.8dB typical low insertion loss @ 3.6GHz
  • Positive logic control
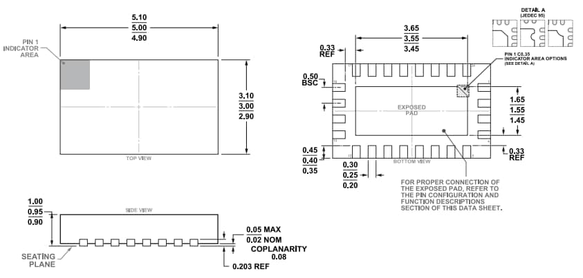
  • 5mm × 3mm, 24-lead LFCSP package
  • High-power handling at TCASE = 105°C
    • Full lifetime
      • 37dBm LTE average power (8dB PAR)
    • Single event (<10sec operation)
      • 39dBm LTE average power (8dB PAR)
  • -4dBm high Input IP3
  • Low-supply current:
    • 120mA typical receive operation @ 5V
    • 15mA typical transmit operation @ 5V

Applications

  • Wireless infrastructure
  • TDD massive Multiple Input and Multiple Output (MIMO) and active antenna systems
  • TDD-based communication systems

Block Diagram

Block Diagram - Analog Devices Inc. ADRF5534 RF Front-End Multichip Modules

Dimensions

Mechanical Drawing - Analog Devices Inc. ADRF5534 RF Front-End Multichip Modules
Published: 2023-04-27 | Updated: 2023-05-09