Analog Devices Inc. EVAL-ADN4680E Evaluation Kit
Analog Devices Inc. EVAL-ADN4680E Evaluation Kit is designed to quickly and easily demonstrate the ADN4680E Quad M-LVDS Transceivers. The ADN4680E Quad M-LVDS Transceivers are driver and receiver pairs that can operate at up to 125MHz or 250Mbps nonreturn to zero (NRZ). The driver and receiver of each transceiver are connected in a half-duplex configuration. This configuration enables each transceiver to be configured via independent enable pins for either sending or receiving data. The EVAL-ADN4680EEBZ is optimized for high-speed signaling.The ADI EVAL-ADN4680E Evaluation Kit offers differential M-LVDS signal traces on the board routed as a length-matched 100Ω differential pair. The DIx digital input and ROx receiver output are length matched and routed with a controlled 50Ω impedance ground. The EVAL-ADN4680EEBZ provides a solid ground and power plane for optimum power integrity.
The EVAL-ADN4680EEBZ has a footprint for the ADN4680E transceivers in a 7mm × 7mm, 48-lead LFCSP.
Features
- Easy evaluation of the ADN4680E 250 Mbps, half-duplex, quad M-LVDS transceivers
- Board layout optimized for high-speed signaling
- Matched track lengths on M-LVDS differential pairs with controlled 100Ω differential impedance
- Matched track lengths on high-speed DIx and ROx logic signals with controlled 50Ω impedance to GND
- SMA jacks for connecting to high-speed DIx and ROx logic signals and M-LVDS Ax and Bx signals
- Optional screw terminal connectors for accessing the ROx, REx, DEx, and DIx logic signals
- Power and ground connections through screw terminal blocks
- Jumper-selectable global power down via the ENP pin
- Jumper-selectable driver enable, receiver enable, and fail-safe for each transceiver via the REx, DEx, and FSx pins
- Test points for measuring all signals and multiple ground points to facilitate probing of multiple signals
- 100Ω termination resistors across Ax and Bx signals to simulate a terminated bus
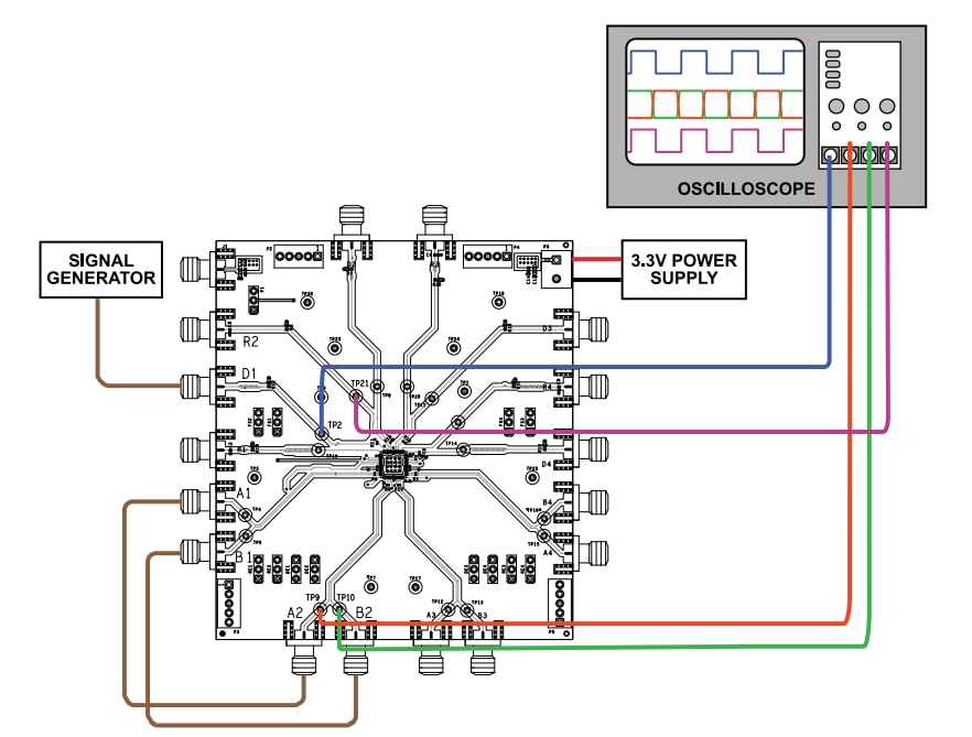
Required Equipment
- 4 channel oscilloscope
- Signal generator
- 3.0V to 3.6V power supply
Overview
Evaluation Board Configuration
Published: 2021-10-28
| Updated: 2022-03-11
