Analog Devices Inc. HMC116x MMIC Voltage Controlled Oscillators
Analog Devices HMC116x family features ultra-low phase noise, MMIC Voltage Controlled Oscillators (VCOs) covering 8-14GHz with half-frequency output. The HMC116x VCOs integrate a resonator, negative resistance device, varactor diode, and output divider. The monolithic construction of the VCO provides excellent output power and phase-noise performance over temperature.The HMC116x family provides high RF power output (8-12dBm). The high output power eliminates the need for LO buffer amplifiers to drive up/down converters (mixers) and external PLLs. HMC116x VCO's typical low-phase noise of -89dBc/Hz @ 10kHz or -115dBc/Hz at 100kHz offset enables higher modulation rates with lower bit error rates. The low-phase noise feature also helps increase X-band radar and Ku-band VSAT system performance. With a low dc power consumption of ~220mA @ 5V, the HMC116x VCOs help designers reduce power supply requirements in their applications.
Features
- Dual output frequency range
- fOUT = 8.45GHz to 14.07GHz
- fOUT/2 = 4.225GHz to 7.035GHz
- Power output (POUT): 8-11dBm (typical)
- Single-sideband (SSB) phase noise
- −89dBc/Hz at 10kHz
- −115dBc/Hz at 100kHz
- No external resonator needed
- -40ºC to +85ºC Operating Temperature
- RoHS-compliant
- Industry-standard 5mm×5mm LFCSP package and pin-out
Applications
- Point-to-point and multi-point radios
- Test equipment and industrial controls
- Very small aperture terminals (VSATs)
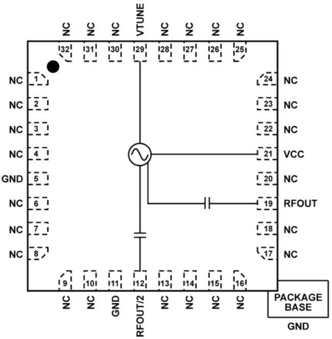
Block Diagram
View Results ( 14 ) Page
| Part Number | Datasheet | Description |
|---|---|---|
| HMC1167LP5E | ![]() |
VCO Oscillators VCO, GaAs, RF/2, 12.18-13.13GHz |
| HMC1165LP5E | ![]() |
VCO Oscillators VCO, GaAs, RF/2, 11.07-11.62GHz |
| HMC1162LP5E | ![]() |
VCO Oscillators VCO, GaAs, RF/2, 9.25-10.10GHz |
| HMC1169LP5E | ![]() |
VCO Oscillators 12.92 GHz to 14.07 GHz MMIC VCO with Half Frequency Output |
| HMC1168LP5E | ![]() |
VCO Oscillators VCO, GaAs, RF/2, 12.48-13.72GHz |
| HMC1160LP5E | ![]() |
VCO Oscillators VCO, GaAs, RF/2, 8.7-9.25GHz |
| HMC1161LP5E | ![]() |
VCO Oscillators 8.71 GHz to 9.55 GHz MMIC VCO with Half Frequency |
| HMC1166LP5E | ![]() |
VCO Oscillators VCO, GaAs, RF/2, 11.42-12.62GHz |
| HMC1160LP5ETR | ![]() |
VCO Oscillators VCO, GaAs, RF/2, 8.7-9.25GHz |
| HMC1161LP5ETR | ![]() |
VCO Oscillators 8.71 GHz to 9.55 GHz MMIC VCO with Half Frequency |
Published: 2016-04-11
| Updated: 2022-03-11

