Analog Devices Inc. LT3074 Dropout Linear Regulators
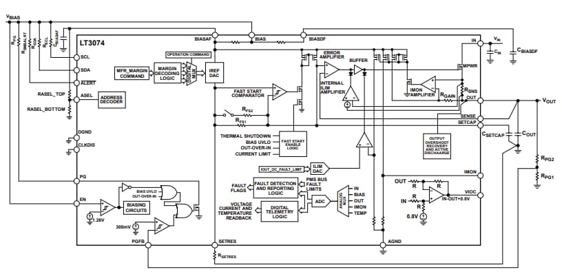
Analog Devices Inc. LT3074 Dropout Linear Regulators are low-voltage, low-noise, and ultrafast transient response regulators with a PMBus serial interface. These regulators are supported by the LTPowerPlay software development tool with a Graphical User Interface (GUI). The LT3074 regulators support PMBus-compliant serial interface for control, telemetry, and fault reporting that operate from 10kHz to 400kHz frequency range. These regulators source 100µA precision reference current to the SETRES pin. The LT3074 regulators incorporate a tracking feature (VIOC) to control the upstream switching regulator to maintain a constant voltage. These regulators supply up to 3A with a typical dropout voltage of 45mV. The LT3074 regulators feature programmable current limits, fast start-up capability, and programmable power good.The LT3074 regulators are designed as a precision current source followed by a high-performance unity gain amplifier. These regulators can be parallel to reduce noise, improve output current, and spread heat on the PCB. The LT3074 regulators are available in a 22-lead (3mm x 4mm) LQFN package. These regulators are used in low-noise instrumentation, high-precision data converters, RF power supplies, and medical applications.
Features
- 1.2µVRMS (10Hz to 100kHz) ultralow RMS noise
- 3.5nV/√Hz at 10kHz ultralow spot noise
- 7µVP-P (0.1Hz to 10Hz) ultralow 1/f noise
- 52dB at 1MHz high PSRR at high frequency
- Stable with ceramic output capacitors (10μF minimum)
- Parallel multiple devices for higher current
- Ultrafast transient response
- 45mV typical dropout voltage
- Available in a 22 lead (3mm x 4mm) LQFN package (laminate package with QFN footprint)
- PMBus capability:
- VOUT, IOUT, VIN, VBIAS, and temperature reporting
- VOUT margining
- IOUT overcurrent and undercurrent warn limits
- VOUT, VIN, and VBIAS undervoltage and overvoltage warn limits
- Overtemperature warn limit
- VIOC pin to control upstream switching converter
Applications
- RF power supplies:
- PLLs and VCOs
- Mixers
- LNAs and PAs
- High-speed/high-precision data converters
- Low noise instrumentation
- Post-regulator for switching supplies
- FPGA and DSP power supplies
- Medical requirements
Functional Block Diagram
Application Diagram
Published: 2025-01-28
| Updated: 2025-10-09
