Analog Devices Inc. LT8391 Synchronous Buck-Boost LED Controllers

Analog Devices Inc. LT8391 Controllers are 4-switch synchronous, buck-boost LED controllers. The controllers regulate output voltage, input, or output current from an input voltage above, below, or equal to the output voltage. The peak-buck/peak-boost current mode control scheme enables adjustable and synchronizable 150kHz to 650kHz fixed-frequency operation. The control scheme also allows internal ±15% triangle spread spectrum frequency modulation for low EMI.

Analog Devices Inc. LT8391 Controllers offer 4V to 60V input, 0V to 60V output voltage capability, and seamless low-noise transitions between operation regions The controllers are ideal for LED driver and battery and charger applications in automotive, industrial, telecom, and even battery-powered systems.

Features

  • 4-switch single inductor architecture aAllows VIN
  • Above, below, or equal to VOUT
  • Up to 98% efficiency synchronous switching
  • Proprietary peak-buck peak-boost current mode
  • 4V to 60V VIN range
  • 0V to 60V (51V LED) VOUT range
  • ±3% LED current accuracy
  • 2000:1 external and 128:1 internal PWM dimming
  • High-side PMOS PWM switch driver
  • Integrated bootstrap diodes
  • No top MOSFET refresh noise in buck or boost
  • 150kHz to 650kHz adjustable and synchronizable
  • Flicker-free spread spectrum for low EMI
  • Open and short LED protection with fault reporting
  • Available in 28-lead TSSOP with exposed pad and 28-lead QFN (4mm × 5mm)

Applications

  • Automotive head lamps/running lamps
  • High-power LED lighting

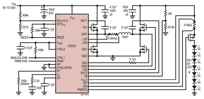
LT8391 Typical Application

Application Circuit Diagram - Analog Devices Inc. LT8391 Synchronous Buck-Boost LED Controllers
Published: 2017-04-28 | Updated: 2022-09-15