Analog Devices / Maxim Integrated MAX96792A Dual GMSL3/2 to CSI-2 Deserializers
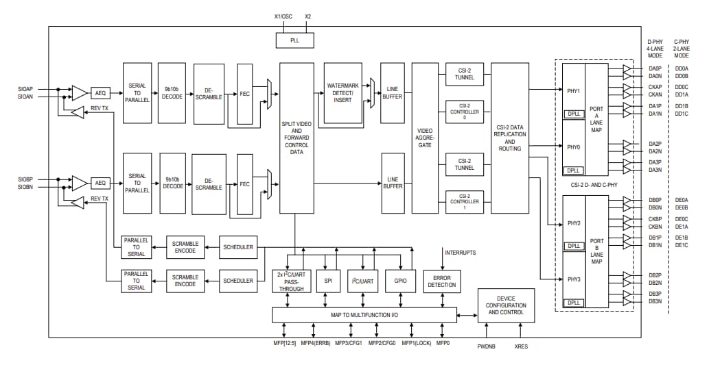
Analog Devices / Maxim Integrated MAX96792A Dual GMSL3/2 to CSI-2 Deserializers are designed to convert dual GMSL™ 3/2 serial inputs to MIPI CSI-2. These deserializers receive forward-channel video data and simultaneously receive and transmit bidirectional control channel data over coaxial or Shielded-Twisted Pair (STP) cables. The MAX96792A deserializers feature an automotive-grade high-speed link with a maximum insertion loss of -18dB and auto-adapt capability for changes in channel conditions. These deserializers offer two MIPI CSI-2 output ports that support 16 virtual channels. The MAX96792A deserializers are backward compatible with GMSL2 and can be paired with 6Gbps or 3Gbps GMSL2 serializers. The dual GMSL3 inputs feature 12Gbps forward-link rate and 187.5Mbps reverse-link rate. These deserializers support tunneling and pixel-mode video transport and are ASIL-B compliant. Typical applications include ADAS, 8MP to 15MP FVC systems, aggregated camera data forwarding, and eMirror camera systems.
Features
- Automotive-grade high-speed link:
- -18db maximum insertion loss @ 3GHz (12Gbps)
- Auto-adapt for changes in channel conditions
- Operates -40°C to 105°C ambient
- Two MIPI CSI-2 v1.3 output ports:
- 2x 4-lane D-PHY v1.2 rated at 2.5Gbps/lane
- 2x 2-lane C-PHY v1.0 rated at 4.57Gbps/lane
- Supports 16 virtual channels
- Dual GMSL3 inputs:
- 12Gbps GMSL3 forward-link rate
- GMSL2 backward-compatible 6Gbps/3Gbps link rates
- 187.5Mbps reverse-link rate
- Supports tunneling and pixel-mode video transport
- Bidirectional control-channel supports:
- 11 configurable GPIO
- 1x I2C/UART port up to 1MHz
- 2x pass-through ports
- Up to 2M baud as UART
- Up to 1Mbps as I2C
- 1x SPI port, up to 25MHz
- Reduces BOM and space savings:
- 48-Pin 7mm x 7mm side-wettable TQFN
- Reference-over-Reverse (RoR) channel clocking for crystal-free operation on serializers
- Safety-ready:
- ASIL-B compliant
Applications
- Advanced Driver Assistance Systems (ADAS)
- 8MP to 15MP Forward-Vision Camera (FVC) systems
- Aggregated camera data forwarding
- eMirror camera systems
Simplified Applications Diagram
Block Diagram
