Analog Devices / Maxim Integrated MAX3521EVKIT Evaluation Kit
Analog Devices Inc. MAX3521EVKIT Evaluation Kit is a tool designed to evaluate MAX3521 DOCSIS 3.0 upstream amplifiers. ADI MAX3521EVKIT evaluation kit includes standard 50Ω SMA connectors for the inputs and outputs to allow quick and easy evaluation. MAX3521EVKIT kit is capable of supplying at least 750mA at 5V.Features
- Easy evaluation of the MAX3521
- 50Ω SMA connectors
- All critical peripheral components included
- Proven PCB layout
- Fully assembled and tested
- PC control software
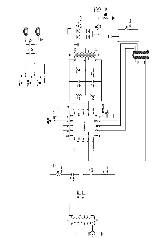
Schematic
Published: 2018-05-24
| Updated: 2023-04-12
