Apex Microtechnology PA198 High Voltage Power Operational Amplifiers

Apex Microtechnology PA198 High Voltage Power Operational Amplifiers are 450V high-power operational amplifiers for voltage amplification. The Apex Microtechnology PA198 features a MOSFET output stage to achieve power bandwidths of up to 2MHz. The PA198 maintains a maximum continuous current of 200mA for reliable operation within a designated range. The amplifier delivers output voltages ranging from ±215V with a dual supply to +440 volts with a single supply configuration.

Features

  • 2000V/μs high slew rate 
  • 2MHz power bandwidth
  • 450V (+-225V) supply voltage
  • 200mA high output current
  • 25mA low IQ
  • 3μV/sqrtHz low noise
  • 750ns excellent settling time

Applications

  • High voltage instrumentation
  • Piezo transducer excitation
  • Programmable power supplies up to 430V
  • Electrostatic transducers and deflection

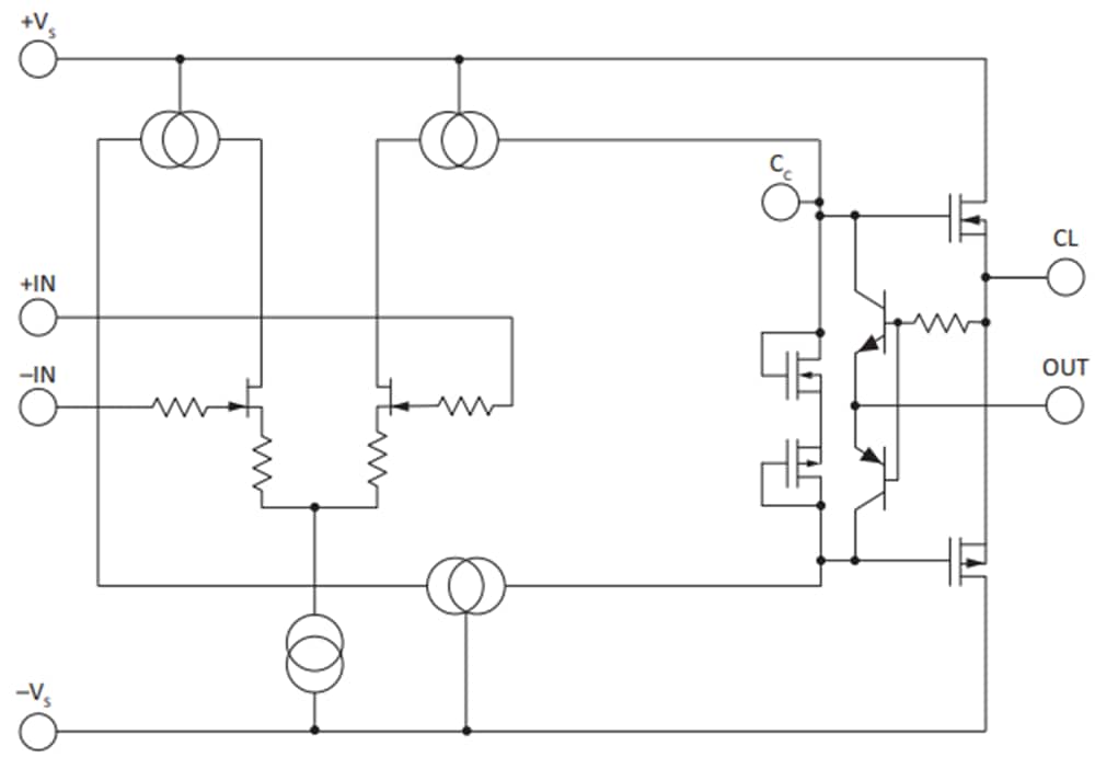
Equivalent Schematic

Schematic - Apex Microtechnology PA198 High Voltage Power Operational Amplifiers

Typical Connections

Apex Microtechnology PA198 High Voltage Power Operational Amplifiers
Published: 2023-08-09 | Updated: 2023-09-01