Bourns GDT225EX Very High Energy GDTs
Bourns GDT225EX Very High Energy (Gas Discharge Tubes) GDTs are ideal for high-density and space-restricted applications that require high-performance components for energy diversion. These GDTs are rated at 120kA maximum impulse discharge current on an 8/20μs waveform. The GDT225EX GDTs comply with ITU-T K.12 testing methods and are UL-1449 recognized. These GDTs feature up to 800V DC breakdown voltage, low capacitance, low insertion loss, and less than 100ns breakdown time. The GDT225EX GDTs are RoHS compliant and are available in a small surface mount package. These GDTs are used in Surge Protection Devices (SPDs), power systems, and industrial equipment.Features
- Fast response time
- High surge current rating
- Low capacitance and insertion loss
- Stable performance
- Available in a small surface mount package
- Comply with ITU-T K.12 testing methods
- UL-1449 recognized
Specifications
- Up to 800V DC breakdown voltage
- <100ns breakdown time
- Rated at 120kA maximum impulse discharge current on an 8/20μs waveform
- Moisture Sensitivity Level 1 (MSL 1)
Applications
- Surge Protection Devices (SPDs)
- Power systems
- Industrial equipment
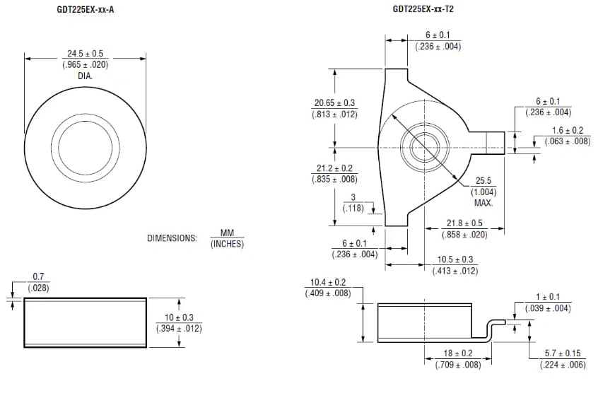
Mechanical Diagram
Published: 2024-10-02
| Updated: 2024-10-22
