Bourns RSI Riedon™ DC Ammeter Shunt Resistors
Bourns RSI Riedon™ DC Ammeter Shunt Resistors provide a rugged and accurate measurement for a wide current range. The resistors feature center-mounted voltage taps to simplify connection to ammeters and a Manganin™ resistive element to achieve low resistance values. The RSI series offers a compact design for space-constrained applications requiring high current ratings and a non-inductive metal element construction. The Bourns RSI Riedon DC Ammeter Shunt Resistors are ideal for various current applications, including frequency converters and current sensing.Features
- Former Riedon product
- Manganin resistive element
- Non-inductive metal element
- Center-mounted voltage taps
- High-current ratings
- Low resistance values
- 0.25% tolerance rating
- Compact design for space-constrained applications
- UL listed, RoHS compliant
Applications
- Frequency converters
- Current sensing
Specifications
- 300A to 1200A rated current range
- 200A to 800A operating current range
- 50mV or 100mV rated output ratings
- 0.042mΩ to 0.167mΩ resistance range at 50mV output
- 0.083mΩ to 0.333mΩ resistance range at 100mV output
- 15ppm to 20ppm TCR
- -40°C to +70°C operating temperature range
- -55°C to +80°C storage temperature range
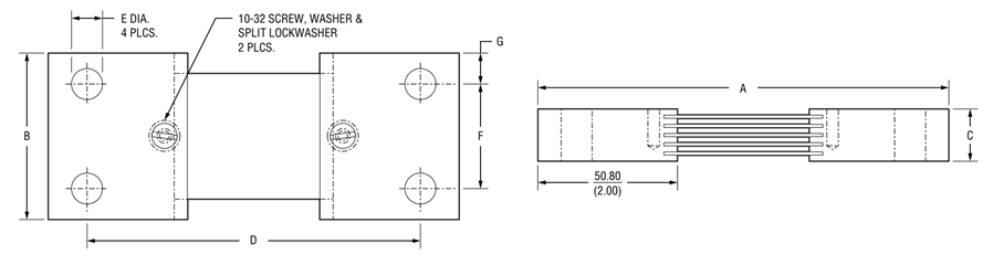
Mechanical Drawing
Published: 2024-08-26
| Updated: 2024-08-26
