Bulgin BXS Battery Holders
Bulgin BXS Battery Holders are designed for AA, C, or D cell batteries, depending on the model, and hold 1, 2, or 3 cells. Engineered with a front-panel seal rated to IP67, these holders protect against dust and water ingress, making them ideal for exposed or mobile installations. Each of these holders have a different opening: screw cap/hand release, bayonet/finger release, and bayonet with finger/coin slot release. Operating reliably between –30°C and +70°C and constructed from UL 94V-0 rated materials, these holders meet stringent safety and environmental standards. Bulgin BXS Battery Holders are RoHS compliant and designed to support engineers in building robust, field-ready systems.Features
- Common
- 1, 2, or 3 cells
- IP67 protected sealing
- RoHS compliant
- -30°C to +70°C operating temperature range
- UL 94V-0 flammability rating
- BXS001/1 Holder
- C battery/cell type (R14)
- Panel mount
- Screw cap/hand release
- Supplied with gasket
- 2.8 series tabs/solder tags
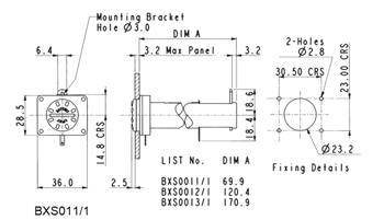
- BXS011/1 Holder
- AA battery/cell type (R6)
- Flanged panel mount
- Bayonet with finger/coin slot release
- Supplied with gasket and sealing grommets for screws
- BSX0x Holder
- D battery/cell type (R20)
- Flanged panel mount
- Bayonet/finger release
- Supplied with flange gasket and sealing grommets for screws
Click to Enlarge Images
Published: 2025-05-29
| Updated: 2025-07-14
