Cornell Dubilier / Knowles Type 944U Polypropylene Film Capacitors
Cornell Dubilier 944U Type Polypropylene Film Capacitors are specifically designed for use in medium power DC filtering applications. The low inductance internal construction utilizes low loss metallized polypropylene for high ripple current capability. With capacitance ranges between 33 and 220µF and voltage ranges between 800VDC to 1400VDC, the Cornell Dubilier 944U Film Capacitors are offered in male or female terminals for design flexibility in a rugged UL 94V rated flame retardant plastic case and resin fill. CDE 944U Type Polypropylene Film Capacitors are ideal for the DC link in inverters and for DC output filters.Features
- Low inductance
- Low profile
- Low ESR
- High ripple current
- Specifications - high voltage ratings
Applications
- Electric vehicle power inverters
- Wind power inverters
- Motor drives
Specifications
- 230VAC maximum voltage
- Dielectric Withstand
- 150% VDC 10s (between terminals)
- 4KVAC 60s (terminals to case)
- 74A maximum current
- ±10% standard capacitance tolerance
- -40°C to +85°C operating temperature range
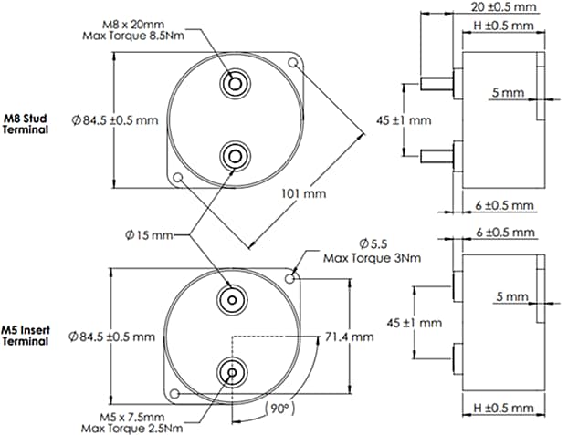
Dimensions
Published: 2009-08-27
| Updated: 2024-05-06
