Diodes Incorporated AL58263Q 16-Channel Automotive LED Driver

Diodes Incorporated AL58263Q 16-Channel Automotive LED Driver is an AEC-Q100 Grade 1, constant current LED driver with 16-bit grayscale Adaptive Pulse Density Modulation (APDM) PWM. The APDM PWM supports error diagnostics, power-saving functions, and current gain control. This distinctive APDM technology also abates the non-ideal IOUT distortion due to non-symmetric transient responses and enhances the refresh rate by efficiently separating the frame waveform. The Diodes Incorporated AL58263Q is available in the wettable flank W-QFN4040-24/SWP (Type A1) package and specified over the -40°C to +125°C ambient temperature range. 

AL58263Q operates over a 3V to 5.0V input voltage range, 15V output channel voltage, a fast 25MHz DCK input, and delivers up to 55mA of high accuracy current to each string of LEDs. Each channel's average output current can be programmable independently via a digital interface individually. One external sensing resistor or a 6-bit global current control register could set all channel's output currents. The AL58263Q LED driver has built-in detection/diagnosis and LED open/short, including error detection. Those error results are stored in the register so the MCU can read them out.

Features

  • AEC-Q100 Grade 1 qualified, PPAP capable, and manufactured in IATF16949 certified facilities
  • 3V to 5.0V input voltage VDD
  • Output current range
    • 2mA to 55mA/5.0V
    • ±0.1% typical output current regulation
  • 16-channel constant-current sink output
    • 16-Bit grayscale resolution
    • 6-Bit global current control
    • 15V-rated output channels
    • ±1.5% typical LED current accuracy between channels
    • ±3% typical LED current accuracy between chips
    • Stagger outputs delay for EMI reduction
    • Cascaded capability (1440 maximum devices)
  • Detection and diagnosis
    • Error detection includes LED open, LED short, output port leakage, output short-to-GND, output short-to-power, and REXT short-to-GND
    • Pre-over-temperature warning
  • 4-wire serial interface +1 (LAT, DI, DO, DCK + GCK)
    • 25MHz Data Clock (DCK) frequency for data transfer
    • Double-edge grayscale clock up to 16MHZ (GCK)
    • External GCK watchdog timer
    • Zero data and sleep mode for power-saving
  • Register programmable options
    • Regular PWM or adaptive pulse density modulation
    • Built-in internal PWM or external Gray Scale Clock (GCK)
    • Short detection threshold voltage selection (2V/3V/4V/4.5V)
  • -40°C to +125°C ambient temperature range
  • Wettable flank W-QFN4040-24/SWP (Type A1) package
  • Totally lead-free and fully RoHS compliant
  • Halogen- and antimony-free, Green device

Applications

  • Automotive clusters
  • Automotive local dimming displays
  • Automotive front and back faceplates
  • Automotive center stack displays
  • Automotive interior and RGB lighting
  • Automotive HVAC control panels
  • Automotive gear shifter indicators
  • Automotive exterior lighting

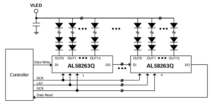
Typical Application

Application Circuit Diagram - Diodes Incorporated AL58263Q 16-Channel Automotive LED Driver

Block Diagram

Block Diagram - Diodes Incorporated AL58263Q 16-Channel Automotive LED Driver
Published: 2024-10-18 | Updated: 2024-12-12