FRAMOS FSM-IMX296 Sensor Modules

FRAMOS FSM-IMX296 Sensor Modules provide the Sony IMX296 sensor on a compact 26.5mm x 26.5mm module. The Global Shutter sensor has a native resolution of 1.6MP and an optical format of 1/2.9 at a pixel size of 3.45µm x 3.45µm. The Modules have a MIPI CSI-2 interface with up to 1-data lanes. FRAMOS Sensor Modules enable users to seamlessly plug the most current image sensor technology into common processing platforms. These modules feature a fully modular design that utilizes standardized connectors and mechanicals. The modules include image sensors on a PCB and have resolutions from 0.4MP to 24MP with both rolling and global shutter options. FRAMOS Sensor Modules are ideal for evaluating a sensor as part of a proof-of-concept design. The modules can also compare and contrast multiple sensors using a common backend and integrate them into third-party processor boards.

Features

  • Image sensors on a PCB with connector, available off-the-shelf
  • An extensive lineup of products with resolutions from 0.4MP to 24MP, available with either rolling or global shutter imagers
  • Available with MIPI CSI-2 (D-PHY) output
  • Converter boards for SubLVDS and SLVS imagers
  • Standardized mechanicals with small footprints of 26.5mm x 26.5mm and 28mm x 28mm

Specifications

  • Model Name: FSM-IMX296M/FSM-IMX296C (V1A-V1B)
  • Image Sensor
    • Vendor: Sony IMX296LLR/IMX296LQR
    • Shutter type: CMOS rolling shutter
    • Technology/Grade: Pregius (Gen2)/sensing
    • Chromacity: Mono
    • Optical format: 1/2.9"
    • Pixel size: 3.45µm x 3.45µm
    • Maximum resolution: 1.5Mpx/1456 x 1088px
    • Framerate (maximum): 60.4FPS (1-lane)
    • Bit depth: 10-bit
  • Interface
    • Data interface: MIPI CSI-2 (1-lane)
    • Communication interface: I2C (4-wire serial)
    • Drive frequency: 37.125MHz/74.25MHz/54MHz
    • Input voltages: 1.2V, 1.8V, 3.3V
    • Interface connector: Hirose DF40C-60DP-0.4V(51)
    • EEPROM (sensor ID): No
  • Mechanical
    • Dimensions (H x W) 26.5mm x 26.5mm
  • Environmental
    • Operating Temperature
      • -30°C to +75°C (function)
      • -10°C to +60°C (performance)
    • Storage Temperature: -40°C to +85°C
    • Ambient Humidity: 20% to 95% RH, non condensing
  • Software Support
    • Driver
      • V4L2 Based Device Driver
      • Libargus/Argus Camera (ISP Tuned)
      • Isaac ROS compliant
    • Supported Platforms
      • NVIDIA Jetson Family: AGX Xavier, Xavier NX, AGX Orin
      • Qualcomm DragonBoard 410C
    • Software Version(s)
      • NVIDIA JP5.1/L4T35.2.1
      • DB410C: Linaro 18.01/Kernel 4.14
  • Suggested Accessories and Adapters
    • Compatible FSA Type: FSA-FT6/A
    • Recommended Devkit(s)
      • FSM-IMX296x/TXA_Devkit (AGX)
      • FSM-IMX296x/NVN_Devkit (NX)
    • Lens Mounts
      • M12 or C/CS-Mount options

Applications

  • Engineers looking to reduce the time-to-market with a rapid prototyping module, ready to integrate into various third-party processing platforms
  • Embedded vision projects that benefit from an open platform by diving down to the component level
  • Gauge implementations against Sony's reference
  • Make educated "build v.s. buy" decisions and benefit from FRAMOS's long-term camera development experience for your tailored productization

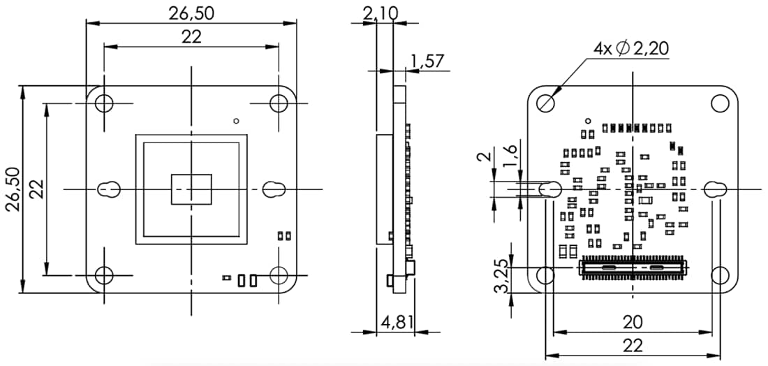
Dimensions (mm)

Chart - FRAMOS FSM-IMX296 Sensor Modules
Published: 2023-09-27 | Updated: 2023-10-06