GHI Electronics SC13048Q SITCore System on a Chip

GHI Electronics SC13048Q SITCore System on a Chip (SoC) delivers a low-cost way to add .NET computing power to any embedded product. The SITCore SoCs allow designs of secure IoT products, easily integrated with the cloud and efficiently managed and updated from the cloud for deployments of one to a million or more.

The SC13048Q SoCs supports all core OS features, including threading and memory management. PWM, ADC, Signal Generators, SPI, UART, CAN, and I2C pin level features are also supported. Secure assemblies and secure storage are provided. The GHI Electronics SC13048Q SITCore SoCs are available in a 48 pin QFN package.

Features

  • PWM, ADC, Signal Generators, SPI, UART, CAN, and I2C pin
  • Secure assemblies and secure storage
  • 48-pin QFN package

Specifications

  • ARM Cortex-M4 32-bit core
  • 80MHz Speed
  • Single-precision math coprocessor
  • 160K Internal RAM
  • 128K User RAM
  • 512K Internal Flash
  • 220K + 8MB Optional external user flash
  • No instruction cache
  • No Data cache
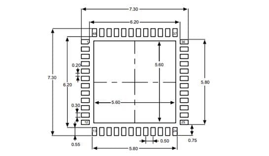
  • 48-QFN 7mm x 7mm Package
  • -40°C to +85°C Temperature range

Pinout

GHI Electronics SC13048Q SITCore System on a Chip

Footprint (mm)

Mechanical Drawing - GHI Electronics SC13048Q SITCore System on a Chip
Published: 2021-06-07 | Updated: 2022-03-11