HALO Electronics DC-DC Converters

HALO Electronics DC-DC Converters are 1W and 2W isolated converters that provide a compact surface mount solution. The DC11 and DC21 converters are designed with 1.5KVDC isolation voltage, and the DC13 converters are designed with 3KVDC isolation voltage. The DC-DC converters feature high efficiency and low ripple noise and are designed to operate from -40°C to +105°C temperature range. These converters offer functional insulation and provide continuous short-circuit protection. Both 1W and 2W versions are available in industry-standard SMD packages.

Features

  • DC/DC 1W and 2W unregulated converters
  • 1.5KVDC isolation voltage (DC11 and DC21 converters)
  • 3KVDC isolation voltage (DC13 converters)
  • Functional insulation
  • -40°C to +105°C operating temperature range 
  • High efficiency and low ripple/noise
  • Continuous short-circuit protection
  • Meets UL/EN62368-1

Pin-Out/Block Diagram

Block Diagram - HALO Electronics DC-DC Converters

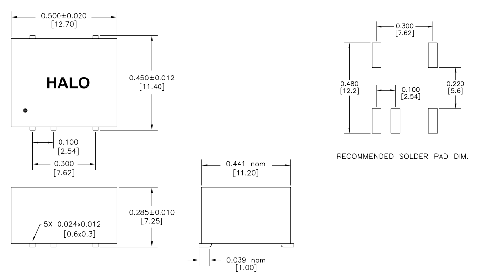
Mechanical Drawing

Mechanical Drawing - HALO Electronics DC-DC Converters
View Results ( 92 ) Page
Part Number Datasheet Input Voltage, Nominal Output Voltage-Channel 1 Output Current-Channel 1 Output Power Number of Outputs Isolation Voltage Length Width Height Packaging Package/Case RoHS - Mouser
DC11-V0312SLF DC11-V0312SLF Datasheet 3.3 V 12 V 84 mA 1 W 1 Output 1.5 kVDC 12.8 mm 9 mm 7.25 mm Tube 12.8 mm x 9 mm x 7.25 mm Y
DC11-V0305SLF DC11-V0305SLF Datasheet 3.3 V 5 V 200 mA 1 W 1 Output 1.5 kVDC 12.8 mm 9 mm 7.25 mm Tube 12.8 mm x 9 mm x 7.25 mm Y
DC21-V0303SLF DC21-V0303SLF Datasheet 3.3 V 3.3 V 600 mA 2 W 1 Output 1.5 kVDC 12.8 mm 9 mm 7.25 mm Tube 12.8 mm x 9 mm x 7.25 mm Y
DC11-V1203SLF DC11-V1203SLF Datasheet 12 V 3.3 V 300 mA 1 W 1 Output 1.5 kVDC 12.8 mm 9 mm 7.25 mm Tube 12.8 mm x 9 mm x 7.25 mm Y
DC21-V0305DLF DC21-V0305DLF Datasheet 3.3 V 5 V 200 mA 2 W 2 Output 1.5 kVDC Tube Y
DC21-V1215DLF DC21-V1215DLF Datasheet 12 V 15 VDC 67 mA 2 W 2 Output 1.5 kVDC Tube Y
DC21-V0303DLF DC21-V0303DLF Datasheet 3.3 V 3.3 V 300 mA 2 W 2 Output 1.5 kVDC Tube Y
DC21-V0503DLF DC21-V0503DLF Datasheet 5 V 3.3 V 300 mA 2 W 2 Output 1.5 kVDC Tube Y
DC11-V0503SLFTR DC11-V0503SLFTR Datasheet 5 V 3.3 V 300 mA 1 W 1 Output 1.5 kVDC 12.8 mm 9 mm 7.25 mm Reel 12.8 mm x 9 mm x 7.25 mm Y
DC11-V0303SLF DC11-V0303SLF Datasheet 3.3 V 3.3 V 300 mA 1 W 1 Output 1.5 kVDC 12.8 mm 9 mm 7.25 mm Tube 12.8 mm x 9 mm x 7.25 mm Y
Published: 2024-08-09 | Updated: 2024-12-06