Infineon Technologies 1700V Fourpack IGBT Modules

Infineon Technologies 1700V Fourpack IGBT Modules are Insulated-Gate Bipolar Transistor modules based on Trench/Fieldstop IGBT4 technology. The 1700V Fourpack IGBT Modules feature a soft recovery emitter-controlled diode to minimize turn-on losses. These devices also include an integrated Negative Temperature Coefficient (NTC) thermistor for enhanced thermal performance. 

The Infineon Technologies 1700V Fourpack IGBT Modules are offered in EconoPACK™3 and EconoDual™3 packages with an isolated base plate for optimized heat spread.

Features

  • Integrated NCT temperature sensor
  • Collector-emitter saturation voltage (VCEsat) with a positive temperature coefficient
  • Isolated base plate
  • Solder and PressFIT contact technology options
  • 1700V collector-emitter voltage (VCES)
  • High DC stability
  • High short-circuit capability
  • -40°C to +150°C operating junction temperature range (Tvjop)

Applications

  • Industrial heating and welding
  • Motor control and drives
  • Traction
  • High-power converters
  • Medium voltage converters
  • Windturbines

Datasheets

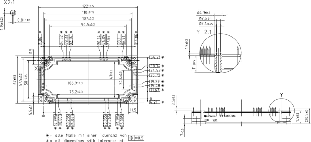
EconoDUAL 3 Package Outline

Mechanical Drawing - Infineon Technologies 1700V Fourpack IGBT Modules

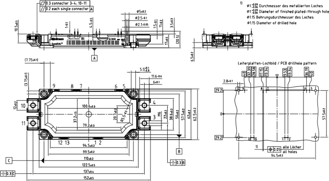
EconoPACK 3 Package Outline

Mechanical Drawing - Infineon Technologies 1700V Fourpack IGBT Modules
Published: 2021-07-16 | Updated: 2023-09-05