Infineon Technologies EB 2ED2410 3D/3M Boards

Infineon Technologies EB 2ED2410 3M/3D Boards are based on a 3M Mother/3D Daughterboard to solve fail-safe/fail operational power switches. The EB 2ED2410 3M board features the 2ED2410-EM driver, a control interface to a microcontroller, or waveform generators accessible via pin headers. The EB 2ED2410 3D-1BCD, -1BCS, -1BCDP, -1BCSP boards feature N-channel MOSFET common drain, common sources structure with or without pre-charge circuit. The EB 2ED2410 3M/3D boards are ideal for automotive or industrial applications, including electronic fuse functionality plus I-t wire protection.

Features

  • Motherboard EB 2ED2410 3M:
    • Switch self- and wire protection (e.g. short-circuit or I-t wire protection)
    • Fault identifications (via DGx pins)
    • Switch operating conditions monitoring (PCB temperature and MOSFET gate-source leakage)
    • Failure mode analysis of connected MOSFET
  • Daughterboards EB 2ED2410 3D:
    • N-channel MOSFET common drain
    • Common sources structure with or without pre-charge circuit
    • Designed for easy plug-and-play banana connectors

Overview of Motherboard

Infineon Technologies EB 2ED2410 3D/3M Boards

Overview of daughter board -1BCD

Infineon Technologies EB 2ED2410 3D/3M Boards

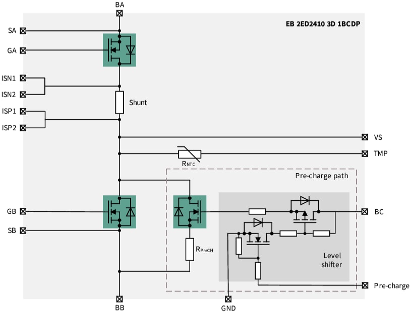
Overview of daughter board -1BCDP

Infineon Technologies EB 2ED2410 3D/3M Boards

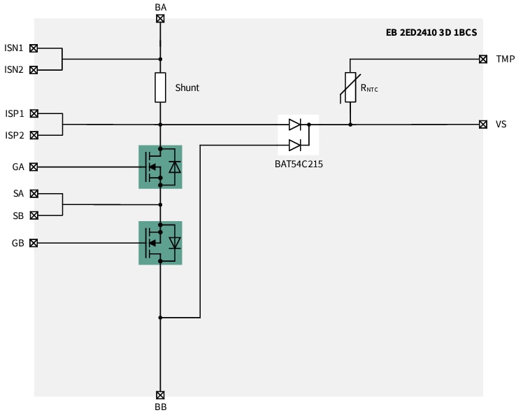
Overview of daughter board -1BCS

Infineon Technologies EB 2ED2410 3D/3M Boards

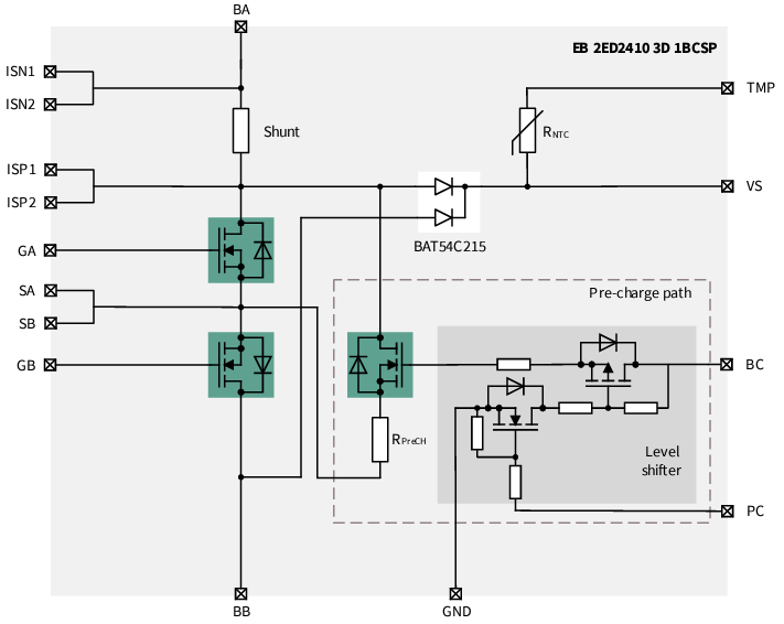
Overview of daughter board -1BCSP

Infineon Technologies EB 2ED2410 3D/3M Boards
Published: 2023-08-03 | Updated: 2023-08-24