Infineon Technologies FS3L200R10W3S7F_B11 EasyPACK™ 3-level IGBT Module

Infineon Technologies FS3L200R10W3S7F_B11 EasyPACK™ 3-level IGBT Module is a 950V, 200A dual boost module with 1200V CoolSiC™ diode, TRENCHSTOP™ IGBT7, NTC, and PressFIT contact technology. The FS3L200R10W3S7F_B11 offers a baseplate less design with PressFIT pins. Combining the F3L400R10W3S7F_B11 and F3L400R10W3S7_B11 provides a total solution for 1500V 3-phase PV string inverters.

Features

  • S7 with extremely low switching loss and soft turn-off behavior
  • 1200V CoolSiC™ diodes reduce switching loss of IGBT
  • Dual boost topology, 3 MPPT circuits in one module
  • Bypass diodes and reverse polarity protection diodes are integrated for each MPPT circuit
  • CTI>400
  • Innovative mechanical concept reduces Rthjh
  • Tvj op = 150°C
  • Baseplate less design
  • PressFIT pins

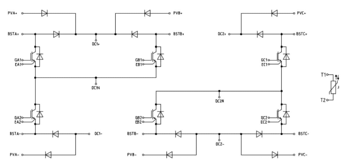
Typical Application Circuit

Application Circuit Diagram - Infineon Technologies FS3L200R10W3S7F_B11 EasyPACK™ 3-level IGBT Module
Published: 2021-09-18 | Updated: 2022-03-11