Infineon Technologies MOTIX™ 160V Gate Drivers

Infineon Technologies MOTIX™ 160V Gate Drivers are ideal for half-bridge BLDC motor drives. The Infineon drivers have built-in bootstrap diodes for the high-side capacitor. Protection includes undervoltage lockout on VCC and VB pins. The output drivers minimize cross-conduction with a high-pulse current buffer stage.

Features

  • Bootstrap voltage (VB node) of +160V
  • Floating channel designed for bootstrap operation
  • Integrated low RON, ultra-fast bootstrap diodes
  • Independent under-voltage lockout for both high and low-side
  • Integrated shoot-through protection with built-in dead-time
  • Integrated short pulse/noise rejection input filter
  • Schmitt trigger inputs with hysteresis
  • 3.3V, 5V input logic compatible, outputs in phase with inputs
  • Available in small footprint VSON-10 lead, 3mm x 3mm package
  • 2ED2744S01G 2.5kV, 2ED2734S01G 2kV HBM ESD, RoHS compliant

Applications

  • General purpose half-bridge gate driver for N-Channel MOSFETs
  • Servo drives in robotics and factory automation
  • General purpose low voltage drives or inverters
  • e-Scooters, e-bikes, and other e-vehicles that do not require Automotive Qualification (LSEV)
  • Battery-operated Small Home Appliances (SHA)
  • Commercial and agricultural drones
  • Professional and consumer service robotics
  • Logistics vehicles (e-forklifts, autonomous warehouse robotics)
  • Battery-operated hand-held power tools
  • Gardening or Outdoor Power Equipment (OPE) tools

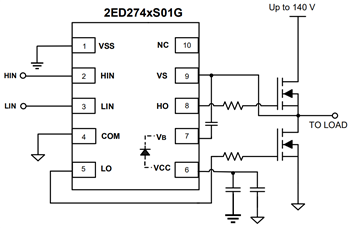
Block Diagrams

Published: 2023-08-29 | Updated: 2024-04-29