Infineon Technologies TLD5191IVREG_EVAL Evaluation Board
Infineon Technologies TLD5191IVREG_EVAL Evaluation Board evaluates the TLD5191ES synchronous MOSFET H-Bridge DC-DC controller. This evaluation board is characterized by its high-power, high-efficiency buck-boost architecture. The TLD5191IVREG_EVAL evaluation board is an EMC-optimized device and offers constant current (LED) and constant voltage regulation. This evaluation board enables compact design due to high efficiency and reduced EMI emissions. The TLD5191IVREG_EVAL evaluation board features a 6A maximum output current, a 6V to 35V supply voltage range, and a 5V to 47V output voltage range. Typical applications include automotive applications, general purpose DC-DC for constant current or voltage applications such as USB, mobile wireless chargers, and multipurpose pre-regulation for infotainment.Features
- Constant current (LED) and constant voltage regulation
- High power and high-efficiency buck-boost architecture
- Embedded PWM engine for digital dimming
- EMC-optimized device (spread spectrum)
- Enable compact design due to high efficiency
- Reduced EMI emissions
- Easy diagnosis of the load due to reliable protections
Specifications
- 6A maximum output current
- 6V to 35V supply voltage range
- 5V to 47V output voltage range
- 385kHz switching frequency
- 275Hz PWM frequency (embedded PWM engine enabled)
Applications
- Specially designed for driving high-power LEDs in automotive applications
- Automotive exterior lighting: complete LED headlamp assemblies (low beam, high beam, matrix beam, and pixel light)
- Voltage pre-regulator for rear lamp assemblies
- General purpose DC-DC for constant current or constant voltage applications such as USB, mobile wireless chargers, and multipurpose pre-regulation for infotainment
PCB Layout
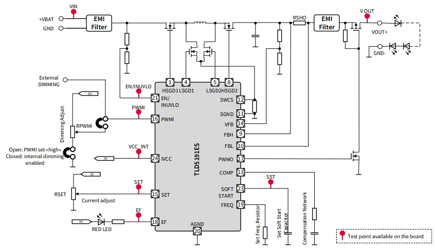
Simplified Schematic in Constant Current Mode (LED driver)
Additional Resource
Published: 2023-11-15
| Updated: 2024-01-26
