IXYS IX4341 / IX4342 MOSFET Gate Drivers
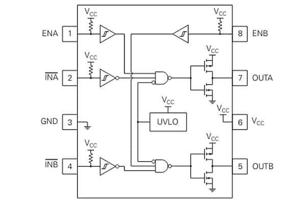
IXYS IX4341 / IX4342 MOSFET Gate Drivers feature two independent drivers, either both with inverting capability (IX4341) or one inverting and one non-inverting (IX4342). The gate drivers can source and sink up to 5A peak current with CMOS- and TTL-compatible inputs. The IX4341 / IX4342 series offer thermally enhanced 8-pin MSOP and narrow SOIC packages and standard narrow SOIC packages depending on the model. The IXYS IX4341 / IX4342 MOSFET Gate Drivers deliver fast 16ns typical propagation delays and fast 7ns typical rise and fall times, which is suitable for high-frequency applications. The gate drivers are ideal for various applications, including switch-mode power supplies (SMPS), DC/DC converters, motor controllers, and power inverters.Features
- Two independent inverting drivers (IX4341)
- Two independent drivers—one inverting and one non-inverting (IX4342)
- 5A peak current sourcing and sinking capability
- CMOS and TTL compatible inputs
- Thermally enhanced 8-pin MSOP and narrow SOIC packages
- Standard 8-pin narrow SOIC package
- Undervoltage lockout (UVLO) circuitry
- Fast propagation delays
- Fast rise and fall times
- Lead-free, RoHS compliant
Applications
- SMPS
- DC/DC power supplies
- Motor controllers
- Power inverters
Specifications
- 4.5VCC to 18VCC supply voltage range
- -0.3V absolute minimum input voltage rating
- VCC +0.3 max input voltage rating
- ±5A output current rating
- 2.5mA max supply current rating
- ±2kV ESD rating
- 1MHz max switching frequency
- -55°C to +150°C junction temperature range
- -65°C to +150°C storage temperature range
Functional Block Diagram
Published: 2024-05-28
| Updated: 2024-05-31
