Kinetic Technologies KTS1690A Evaluation Kit

Kinetic Technologies KTS1690A Evaluation Kit is designed to demonstrate and evaluate the functionality, performance, and PCB layout of the KTS1690A low-resistance load switch. This kit consists of a fully assembled and tested PCB with the KTS1690A IC installed, two pairs of high-current XT30-to-Banana power cables, and a quick start guide. Typical applications include notebooks, ultra-books, desktop PCs, smartphones, tablets, gaming consoles, set-top boxes, networking, and any USB ISOURCE port.

Features

  • -0.3V to 6V input withstand voltage range
  • 2.5V to 5.5V input operating voltage range
  • -0.3V to 29V output withstand voltage range
  • 1.5V to 5.5V VIO operating voltage range
  • 0A to 3.7A output load current

Applications

  • Notebooks
  • Ultra-books
  • Desktop PCs
  • Smartphones
  • Tablets
  • Gaming consoles
  • Set-top box
  • Networking
  • USB ISOURCE port

Kit Contents

  • 1 x KTS1690A eval fully assembled PCB
  • 2 x XT30-to-Banana power cables and red/black pair
  • 1 x anti-static bag
  • 1 x quick start guide
  • 1 x eval kit box

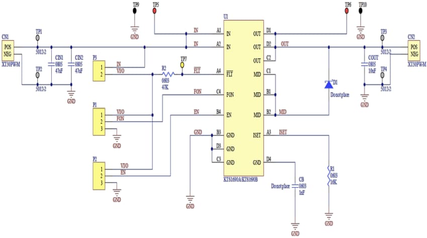
Electrical Schematic

Schematic - Kinetic Technologies KTS1690A Evaluation Kit

PCB Layout

Kinetic Technologies KTS1690A Evaluation Kit
Published: 2023-07-03 | Updated: 2023-07-13