LEM GO SMS/SME Current Transducers

LEM GO SMS/SME Current Transducers are designed to measure AC and DC currents in both industrial and automotive applications. These transducers advanced design ensures high accuracy and reliability. The GO SMS/SME current transducers provide cost-effective and compact current sensing solutions for a wide range of industries. These transducers with a small footprint and competitive pricing, offer an optimal balance of performance and affordability. The GO SME current transducers are available in the SOIC 8 package and the SMS transducers are available in the SOIC 16 package. Typical applications include small drives, Heating, Ventilation and Air Conditioning (HVAC) inverters, appliances, solar inverters, e-bikes, automotive, and industry-qualified.

Features

  • GO-SMS:
    • 75A open-loop multi-range current sensor
    • 0.75mΩ Low electrical resistance
    • 3.3V or 5V dual supply voltage
    • Dual overcurrent detection
    • Low power consumption
    • 300KHz high bandwidth
    • No magnetic hysteresis
    • Galvanic separation between primary and secondary with 7.4mm of dCl and 7.4mm of dCp
    • 4800VRMS insulated test voltage (UL 62368)
    • Small footprint with standard surface mount PCB mounting
    • AEC-Q-100 Grade 1
  •  GO-SME:
    • 50A open-loop multi-range current sensor
    • 0.9mΩ low electrical resistance
    • 3.3V or 5V dual supply voltage
    • Low power consumption
    • 300kHz high bandwidth
    • No magnetic hysteresis
    • Galvanic separation between primary and secondary with 4mm of dCl and dCp
    • 2400VRMS insulated test voltage
    • Small footprint with standard surface mount PCB mounting
    • AEC-Q-100 Grade 1

Applications

  • Small drives
  • Heating, Ventilation, and Air Conditioning (HVAC) inverters
  • Appliances
  • Solar inverters
  • E-bikes
  • Automotive and industry qualified

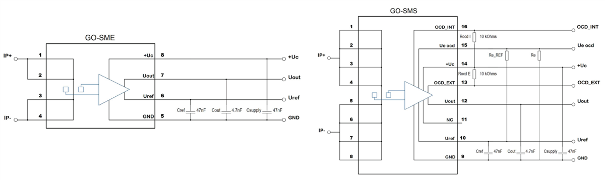
Application Circuit Diagrams

Application Circuit Diagram - LEM GO SMS/SME Current Transducers

Block Diagrams

Block Diagram - LEM GO SMS/SME Current Transducers
Block Diagram - LEM GO SMS/SME Current Transducers
Published: 2025-07-04 | Updated: 2025-10-24