Littelfuse LS1205ExD33 Protection eFuse ICs

Littelfuse LS1205ExD33 Protection eFuse ICs feature a 2.7V to 18V input voltage range, programmable current limit, and output voltage clamp. These ICs use few external components and provide multiple protection modes, including robust defense against overload, short-circuit, input voltage surge, and excessive inrush current. The LS1205ExD33 ICs protect against input overvoltage events via internal clamp circuitry to a safe output voltage. Littelfuse LS1205ExD33 Protection eFuse ICs are ideally suited for networking, PCs, fan control, and HDD and SSD drives.

Features

  • External selectable input range and clamping output voltage threshold (LS1205EV)
  • Open drain fault indicator FAULT\ (LS1205EF)
  • Output discharging function
  • External programmable soft-start time
  • Short-circuit protection
  • Enable control pin
  • Thermal shutdown protection
  • Auto recovery
  • Integrated 25mΩ low RDS(ON) protection switch

Applications

  • HDD and SSD drives
  • Adapter-powered devices
  • PC/Notebooks
  • Fan control
  • Networking

Specifications

  • 2.7V to 18V input voltage range
  • 1A to 5A external programmable current limit
  • -40°C to +125°C junction temperature range
  • 10-leads DFN 3mm x 3mm package

Videos

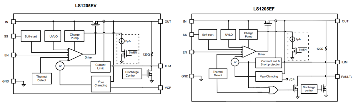
Functional Block Diagrams

Littelfuse LS1205ExD33 Protection eFuse ICs
Published: 2022-07-18 | Updated: 2022-12-07