Lumileds LUXEON SunPlus 35 Line LEDs
Lumileds LUXEON SunPlus 35 Line LEDs are designed using a 3535 lead-frame package with anode and cathode to deliver precise wavelengths to improve crop yield. The anode and cathode serve as thermal pads to dissipate most of the heat. Lumileds LUXEON SunPlus 35 LEDs do not include Transient Voltage Suppressor (TVS) chip to protect the emitter against Electrostatic Discharges (ESD). These LEDs offer high uniformity at short distances and fixed spectra for quick designs. The LUXEON SunPlus 35 LEDs are available in a 3.5mm x 3.55mm package. These LEDs are ideal for use in vertical farming and linear applications.Features
- Anode and cathode serve as thermal pads
- Do not include Transient Voltage Suppressor (TVS) chip
- Fixed spectra for quick designs (Purple)
- High uniformity at short distances
- The right light output enables vertical farming
- Best for vertical farming and linear applications
- 3.5mm x 3.5mm package
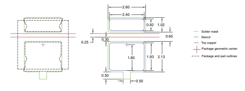
Dimensions (mm)
Performance Graph
Published: 2019-08-01
| Updated: 2025-04-23
