M5Stack CC1101 Wireless Communication Module
M5Stack CC1101 Wireless Communication Module adopts the E07-900M10S module solution with an operating frequency range of 855MHz to 925MHz. This module supports 2-FSK, 4-FSK, GFSK, MSK, ASK, and OOK modulation methods, providing stable wireless data transmission while maintaining low power consumption. The CC1101 wireless communication module features onboard DIP switches for flexible pin switching and supports multiple stacked modules for functional expansion. This module is suitable for industrial automation, smart home systems, automatic lighting, and robotics.
Features
- SPI serial communication protocol
- E07-900M10S module (based on CC1101)
- Built-in DIP switch for pin selection
- Supports multiple module stacking
- CC1101 low-power Sub-1GHz RF transceiver
- Independent 64-byte RX FIFO and TX FIFO
- Supports Received Signal Strength Indicator (RSSI) and Link Quality Indicator (LQI)
- 855MHz to 925MHz operating frequency range
- Supports 2-FSK, 4-FSK, GFSK, MSK, ASK, and OOK modulation methods
- Up to -109dBm (at 1.2kbps rate) receiving sensitivity
- Low power consumption in sleep mode
- External SMA antenna interface
- Development platform:
- Arduino
- UiFlow2
Applications
- Industrial automation
- Smart home systems
- Automatic lighting
- Robotics
Specifications
- 0.6kbps to 500kbps programmable bit rate
- Rubber antenna at 2.5dBi, length 110mm x 8mm
- 430m (frequency- 868MHz, BW- 58kHz) communication range
- 10dBm transmit power
- DC 5V at 26.48uA sleep power consumption
- DC 5V at 1.74mA standby power consumption
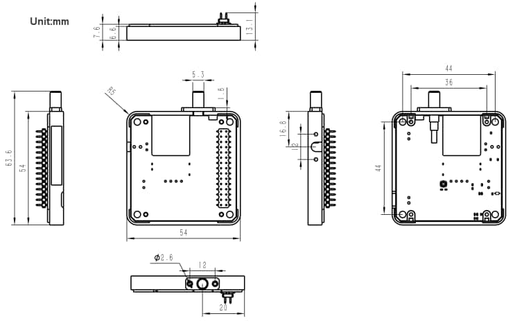
- 54mm x 63.6mm x 13.1mm product dimensionμ
- Working power consumption:
- DC 5V at 17.11mA receive mode
- DC 5V at 30mA transmit mode
- DC 5V at 26.48μA sleep mode
- 15.8g weight
- 134mm x 95mm x 15.7mm package dimension
- 38.9g gross weight
Kit Contents
- 1 x Module CC1101
- 1 x SMA rubber antenna
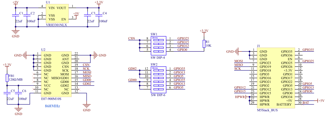
Schematic Diagram
Mechanical Diagram
Videos
Published: 2026-01-19
| Updated: 2026-02-18
