MACOM CMPA1D1J001S 12.7GHz to 18GHz, 1W GaN HPA
MACOM CMPA1D1J001S 12.7GHz to 18GHz, 1W GaN High Power Amplifier (HPA) utilizes high performance, 0.15µm GaN, on the SiC production process. With a 12.7GHz to 18GHz frequency range, the CMPA1D1J001S supports radar and communication applications within military and commercial markets.The MACOM CMPA1D1J001S features 1W of saturated output power with 23dB of significant signal gain and typically 30% power-added efficiency under CW operation. The CMPA1D1J001S is packaged in a 4mm x 3mm plastic overmold QFN, offering superior broadband performance and environmental robustness. The device's small form factor allows users to improve SWaP-C benchmarks in next-generation systems.
Features
- 1W Psat
- 30% PAE
- 23dB LSG
- 27dB S21
- -10dB S11
- -8dB S22
- CW operation
- Small 4mm x 3mm footprint
Applications
- Military and commercial radar and communications
- General-purpose broadband amplifiers
Specifications
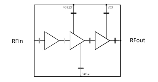
Functional Block Diagram
Published: 2023-08-08
| Updated: 2024-12-04
