Microchip Technology PIC32CZ CA80/CA90 Microcontrollers
Microchip Technology PIC32CZ CA80/CA90 Microcontrollers are 32-bit high-performance MCUs based on an Arm® Cortex®-M7 processor. These MCUs offer up to 8MB of flash and 1MB of SRAM. The CA80/CA90 MCUs provide a wide range of connectivity options, including high-speed USB, CAN FD, SQI, SDHC, I2S™, Media LB™ bus, EBI, and SERCOM. These MCUs feature a Memory Protection Unit (MPU), clock failure detection with a fail-safe internal RC oscillator, and write protection on some peripherals. The PIC32CZ CA80/CA90 MCUs are available in 100-pin, 144-pin, 176-pin, and 208-pin TQFP and BGA packages.The PIC32CZ CA90 MCUs feature an embedded Hardware Security Module (HSM) for developing secure applications. The HSM provides all the cryptographic hardware acceleration, key storage, and TRNG for implementing security functionality such as secure boot, TLS, and encryption/decryption. The PIC32CZ CA80 MCUs are designed to implement functionality and applications such as industrial gateways, graphics, and automotive applications.
Features
- Connectivity:
- Up to 10 SERCOM interfaces, including USART, I2C, SPI, and LIN
- Up to two I2S modules with Time Division Multiplexing (TDM) support
- Up to two Serial Quad Interfaces (SQI)
- Up to six CAN FD ports with dedicated Direct Memory Access (DMA)
- One MediaLB® controller
- Up to two high-speed USB 2.0 ports
- 10/100/1000 Ethernet with dedicated DMA, IEEE® 1588, and Ethernet Audio/Video Bridging (AVB) support
- Functional safety:
- ECC with fault injection on flash and all SRAMs
- Global mBIST
- Memory Protection Unit (MPU)
- Write protection on some peripherals
- Clock failure detection with fail-safe internal RC oscillator
- Lookback on communications interfaces
- HSM available with the PIC32CZ CA90 MCUs offers the following attributes:
- RSA, DSA, and ECC public key cryptography with up to 4096-bit key length
- AES encryption is fully compliant with NIST FIPS 197-bit and 256-bit key length
- Hash/MAC with MD-5, SHA-1, SHA-256, SHA-224, SHA-384, SHA-512 and SHA3 capability
- True Random Number Generator (TRNG)
- Secure key storage
- Factory provisioning
Specifications
- Operating conditions:
- VDDREG: 1.75V to 1.85V, -40°C to 85°C, and DC to 300MHz
- VDDIO/AVDD: 1.75V to 3.63V, -40°C to 85°C, and DC to 300MHz
- 300MHz Arm® Cortex®-M7:
- Superscalar pipeline (6 stages with branch prediction)
- L1 cache (16KB each of ECC-protected instruction and data cache)
- Up to 256Kb of Tightly Coupled Memory (TCM) (128KB each of ECC-protected instruction and data TCM)
- Memory Protection Unit (MPU) with 8 regions
- Floating Point Unit (FPU) with double and single precision (32-bit and 64-bit)
- Multiply Accumulate Unit (MAC) with single-cycle throughput
- DSP Thumb®-2 compliant instruction set
- Clock management:
- 32.768kHz ultra-low-power internal oscillator
- Clock failure detection event routed to normal interrupt or the NonMaskable Interrupt (NMI) controller:
- CPU frequency monitor
- Main crystal oscillator failure detection
- 32.768kHz crystal oscillator frequency monitor
- Independent Watchdog Timer (WDT)
- Precision 48MHz trimmed internal RC oscillator
- Up to two PLLs for the system clock and one PLL for USB high-speed operations
- FREQM: Frequency meter
- Power management:
- Power-on Reset (POR) and Brown-Out Reset (BOR)
- Multiple power management modes: Idle, standby, hibernate, backup, and off modes
- Ultra-low-power Real Time Clock (RTC) and Real-time Timer (RTT):
- RTC with the Gregorian calendar and UTC mode, waveform generation in low-power modes
- RTC counter trim calibration circuitry to compensate for 32.768kHz crystal frequency variations
- Memories:
- 8MB, 4MB, and 2MB in-system self-programmable flash with:
- Error correction code (ECC= flash, SRAM, TrustRAM, cache, and TCM)
- Dual bank with Read-While-Write (RWW) support (live update)
- Up to 4KB of emulated user OTP memory
- Additional 2x 80KB of boot flash memory (2x24 pages)
- Up to 256KB of Tightly Coupled Memory (TCM) with ECC
- Up to 8KB additional SRAM:
- Can be retained in backup mode
- Eight 32-bit backup registers
- 8MB, 4MB, and 2MB in-system self-programmable flash with:
Applications
- PIC32CZ CA80 MCUs:
- Industrial gateways
- Graphics
- Automotive
Implementing Security Using PIC32CZ CA90 Microcontrollers
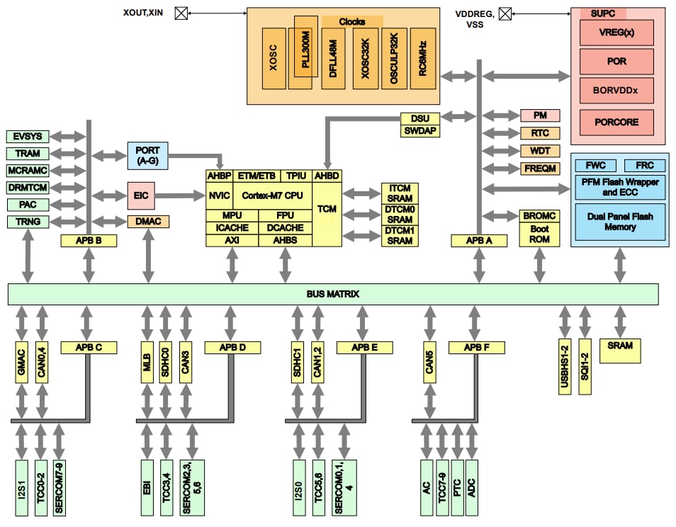
Block Diagram
Schematic Diagram
Additional Resource
Published: 2024-01-12
| Updated: 2024-12-20
