Mikroe MIKROE-3205 ProxFusion® 2 Click
Mikroe MIKROE-3205 ProxFusion® 2 Click is a click board™ that features a single multifunctional IC with ambient lighting, capacitive, Hall-effect, and inductive sensing. This Mikroe click comes with an Azoteq IQS621 multifunctional sensor that offers ProxSense® engine capabilities with additional sensor types. The Proxfusion 2 click provides low power consumption, programmable thresholds for each sensor, and an Array Technology Inc. (ATI) engine that allows automatic fine-tuning for improved detection. Typical applications include IoT, white goods and appliances, home automation, lighting control, and Human-Machine Interfaces (HMI).Features
- Onboard IQS621 IC with
- Ambient lighting sensing
- Capacitive sensing
- Hall-effect sensing
- Inductive sensing
- High level of integration that reduces expenses and development time
- Low power consumption
- Programmable thresholds for each sensor
- ATI engine that allows automatic fine-tuning for improved detection
- I2C interface
- mikroSDK-compliant library that simplifies software development
- 3.3V input voltage
- 42.9mm x 25.4mm dimensions
Applications
- IoT-based application development
- White goods and appliances
- Home automation and lighting control
- HMI
ProxFusion 2 Click Overview
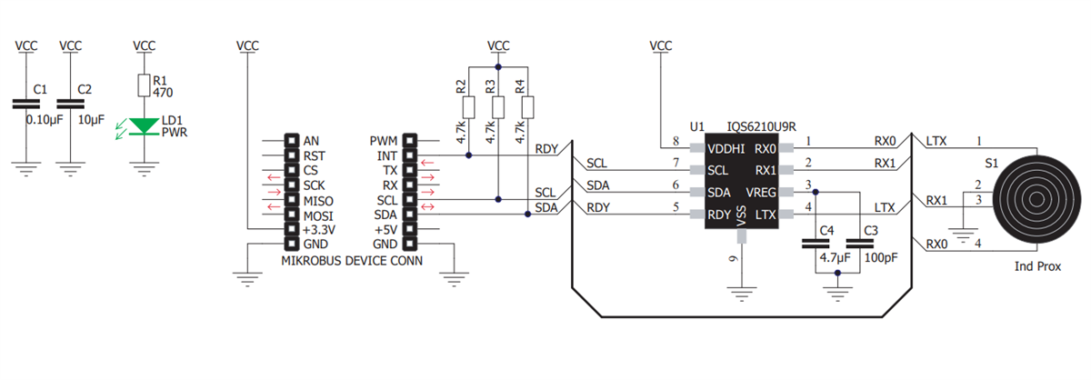
ProxFusion 2 Click Schematic Diagram
Additional Resources
Published: 2019-04-12
| Updated: 2023-09-20
