Monolithic Power Systems (MPS) EV8795H-LE-00A Evaluation Board

Monolithic Power Systems (MPS) EV8795H-LE-00A Evaluation Board facilitates an extensive evaluation of the MP8795H. The MP8795H is a high-efficiency, monolithic, synchronous step-down converter. The MP8795H adopts an internally compensated constant-on-time (COT) control mode that allows fast transient response and eases loop stabilization. The EV8795H-LE-00A Evaluation Board delivers a 20A continuous load current over a wide operating input range. With a wide output current load range, the EV8795H-LE-00A can achieve high efficiency.

The MPS EV8795H-LE-00A Evaluation Board enables on or off via a remote ON/OFF input (EN) that is referenced to the ground. This input is compatible with popular logic devices.

Features

  • Wide input voltage range from 2.7V:
    • 2.7V to 16V with external 3.3V VCC bias
    • 4V to 16V with Internal VCC bias or external 3.3V VCC bias
  • Differential output voltage remote sense
  • Programmable accurate current limit level
  • 20A Output current
  • Low RDS(ON) integrated power MOSFETs
  • Adaptive COT for ultrafast transient response
  • Stable with a zero-ESR output capacitor
  • Forced-CCM operation
  • Excellent load regulation
  • Output voltage tracking
  • Output voltage discharge
  • PGOOD Active clamped low level during power failure
  • Programmable soft-start time from 1ms
  • Pre-bias startup
  • Selectable switching frequencies of 600kHz, 800kHz, and 1000kHz
  • Non-latch OCP, OVP, UVP, UVLO, thermal shutdown
  • Output adjustable from 0.6V to 90% Vin, up to 5.5V max
  • Available in a QFN 3mm x 4mm package

Applications

  • Flat-panel televisions and monitors
  • Multi-functional printers
  • Access points and routers
  • Optical modules

Overview

Monolithic Power Systems (MPS) EV8795H-LE-00A Evaluation Board

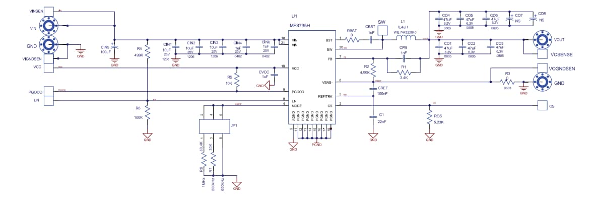
Schematic

Schematic - Monolithic Power Systems (MPS) EV8795H-LE-00A Evaluation Board
Published: 2022-05-19 | Updated: 2023-08-01