Monolithic Power Systems (MPS) EVM3690-30B-BF-00A Step-Down Evaluation Board
Monolithic Power Systems (MPS) EVM3690-30B-BF-00A Step-Down Evaluation Board is designed to demonstrate the capabilities of MPM3690-30B. This MPM3690-30B step-down power is a high-efficiency, synchronous, and step-down power module. The MPM3690-30B adopts internally compensated Constant-On-Time (COT) control to provide a fast transient response and ease loop stabilization. This MPM3690-30B offers 92.95% peak efficiency and 1.2V output voltage.Specifications
- 500kHz default switching frequency
- 92.95% peak efficiency
- 1.2V output voltage
- 91.2% full load efficiency
- 36A output current
- 3.2V to 16V input voltage range
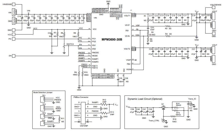
Schematic Diagram
Published: 2023-10-13
| Updated: 2023-11-09
