Monolithic Power Systems (MPS) MP3314 6-Channel White LED Drivers
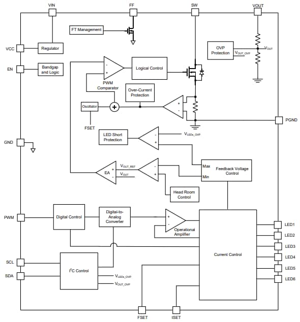
Monolithic Power Systems (MPS) MP3314 6-Channel White LED (WLED) Drivers operate from a 3V to 30V input voltage (VIN) range. These 6-channel drivers are designed to drive WLED arrays for LCD panels in tablets and notebook backlighting applications. The MP3314 WLED drivers offer a 60mA maximum current for each channel. These 6-channel drivers feature peak current mode control and Pulse-Width Modulation (PWM) control to regulate the boost converter’s output voltage (VOUT). The MP3314 WLED drivers support a configurable switching slew rate and FSS function to reduce EMI. These 6-channel drivers achieve high efficiency with a low headroom voltage for LED regulation and a low MOSFET on resistance.The MP3314 WLED drivers include LED open protection, LED short protection, Over-Current Protection (OCP), Over-Voltage Protection (OVP), and over-temperature protection. These 6-channel drivers are available in QFN-24 (4mm x 4mm) and CSP-20 (2.4mm x 1.74mm) packages. Typical applications include tablets, notebooks, and small-size LCD displays.
Features
- 3V to 30V input voltage (VIN) range
- 6 channels
- 60mA/Ch maximum current
- 50V, 150mΩ on resistance, integrated Low-Side MOSFET (LS-FET)
- Up to 43V output voltage (VOUT)
- 187.5mV LED regulation voltage at 20mA
- 2% LED current (ILED) accuracy at 20mA:
- 1.5% ILED matching at 20mA (QFN-24)
- 3% ILED matching at 20mA (CSP-20)
- 312kHz, 625kHz, or 1250kHz selectable switching frequency (fSW)
- Auto-selected fSW for high efficiency
- I2C and external Pulse-Width Modulation (PWM) brightness control
- Analog, Pulse-Width Modulation (PWM), and mix dimming
- Phase shift function to reduce noise
- Configurable switching slew rate and Frequency Spread Spectrum (FSS) function to reduce EMI
- One-Time Programmable (OTP) memory to configure default register values
- LED open protection and LED short protection
- Over-temperature protection
- Over-Current Protection (OCP), inductor short protection, and diode short protection
- Available in QFN-24 (4mmx4mm) and CSP20 (2.4mmx1.74mm) packages
Applications
- Tablets
- Notebooks
- Small-size LCD displays
Application Circuit
Functional Block Diagram
Videos
Published: 2024-02-22
| Updated: 2024-06-11
