The MPS MP8030 power supply converters integrate a 100V hot-swap MOSFET for ≤51W applications and one GATE1 driver to enhance efficiency for high-power applications (>51W). The GATE2 driver delivers an external, low on-resistance N-channel MOSFET to prevent high power loss when an adapter powers the MP8030.
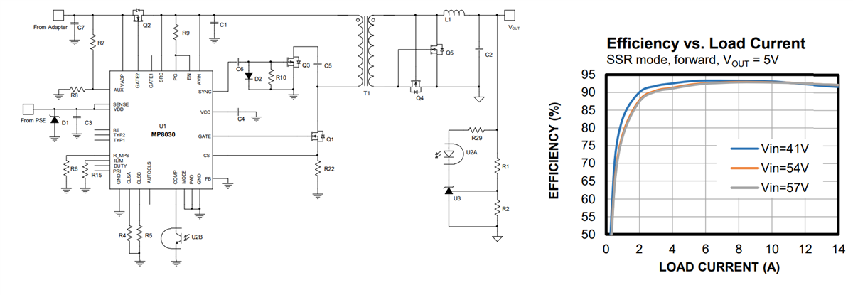
The flyback/forward controller is designed explicitly for primary-side regulation (PSR) flyback applications and secondary-side regulation (SSR) active-clamp forward applications. The device also can be used in an SSR flyback topology.
The MP8030 offers overload protection (OLP) with hiccup mode, short-circuit protection (SCP), over-voltage protection (OVP), and thermal shutdown. The MP8030 is housed in a QFN-32 (5mm x 6mm) package.
Features
- Compliant with 802.3af/at/bt specifications
- Internal hot-swap MOSFET for ≤51W designs
- External FET with GATE1 for >51W designs
- GATE2 N-Channel MOSFET driver for adapter supply
- Supports automatic classification
- Automatic maintain power signature function
- EMI Reduction with frequency dithering
- Supports flexible topologies with DC/DC design:
- Primary-Side Regulation (PSR) for flyback applications
- Secondary-Side Regulation (SSR) for flyback applications
- SSR for Active-clamp forward applications
- Ethernet Alliance (EA Gen 2) certified
- Available in a QFN-32 (5mm x 6mm) package
Applications
- IEEE 802.3af/at/bt-Compliant devices
- Security cameras
- Video and VoIP Phones
- WLAN Access points
- Internet of Things (IoT) devices
- Pico base stations
Videos
Additional Resources
Typical Application

