Monolithic Power Systems (MPS) MPQ4253B Buck Converters
Monolithic Power Systems (MPS) MPQ4253B Buck Converters integrates a monolithic, stepdown, switch-mode converter with two USB current-limit switches and charging port identification circuitry for each port. These converters incorporate one Type-A and one Type-C USB port for output. The USB1 port supports USB Type-C™ 5V @3A DFP mode, and the USB2 port supports DCP schemes for battery charging specification (BC1.2). These converters achieve up to 6A output current (IOUT) with excellent load and line regulation. The MPQ425B converters operate from 6V to 36V input voltage (VIN) range and use peak current (IPEAK) mode control to regulate IOUT.The MPQ425B converters feature Over-Current Protection (OCP) with hiccup mode, output Over-Voltage Protection (OVP), and thermal
shutdown. These converters are AEC-Q100 Grade 1 qualified and available in QFN-26 (5mm x 5mm) package. Typical applications include USB Dedicated Charging Ports (DCPs), USB Type-C, and Type-A hybrid charging ports.
Features
- All-in-one Type-C and Type-A solution
- Passes Apple MFI certification test
- Type-C auto-entry, 1.5A load capability when the Type-A port detects a device is plugged in
- Default Frequency Spread Spectrum (FSS) at 480kHz (FREQ is floating)
- Auto-PFM/PWM mode
- Accurate USB1/USB2 output current limit (IOUT_LIMIT)
- Buck and USB Over-Current Protection (OCP) with hiccup mode
- Supports DCP Schemes for BC1.2, Apple Divider 3 mode, and 1.2V/1.2V mode
- Supports USB Type-C 5V @3A DFP mode
- AEC-Q100 Grade 1 qualified
- Available in a QFN-26 (5mm x 5mm) package
Specifications
- 6V to 36V input voltage (VIN) range
- 5.1V, 5.17V, or 5.3V selectable output voltage (VOUT)
- 90mV line-drop compensation
- 4.8W continuous power dissipation (TA = 25°C)
- 18mΩ/15mΩ internal, low RDS(ON) buck Power MOSFETs
- 250kHz to 1MHz adjustable switching frequency (fSW)
- -40°C to 125°C operating temperature range
Applications
- USB Dedicated Charging Ports (DCPs)
- USB Type-C and Type-A hybrid charging ports
Typical application Circuit Diagram
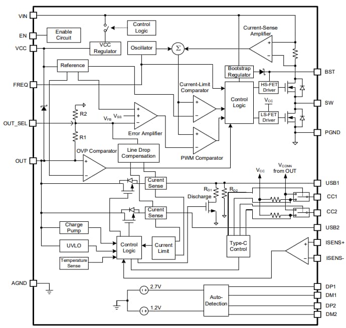
Block Diagram
Videos
Published: 2024-03-15
| Updated: 2024-04-23
