Nexperia NEX13120-Q100 Automotive Linear LED Driver

Nexperia NEX13120-Q100 12-Channel Automotive Linear LED Driver is AEC-Q100 Grade 1 qualified and designed for high-side applications. The Nexperia NEX13120-Q100 supports up to 100mA output current per channel with PWM and analog dimming capabilities, ensuring precise control and high accuracy. The device integrates UART over CAN for long-distance communication, making the LED driver ideal for automotive exterior lighting systems. Additionally, the component features diagnostics for open-circuit LED, short-to-ground, and single LED short-circuit detection, along with a configurable watchdog for fail-safe operation.

Features

  • AEC-Q100 qualified for automotive applications, specified from -40°C to +125°C
  • Function safety capability
  • 12-channel precision high-side current output
    • 4.5V to 36V VBAT and 3.8V to 36V VS
    • Up to 100mA current per channel
    • 2-bit global, 6-bit independent current setting
    • Current accuracy within ±5% from 18mA to 100mA
    • Low voltage drops - 600mV at 100mA
    • 12-bit independent PWM dimming
    • 50Hz to 23.4kHz programmable PWM frequency
    • Linear and exponential dimming method
  • Integrated UART interface
    • Up to 2Mbit/s data rate
    • Supports UART data format
    • Supports 27 slave address set by resister
  • HTSSOP24 (SOT8083-1) thermally enhanced thin shrink small outline package, 24-lead, 7.8mm x 4.4mm x 1.2mm body size
  • Diagnostics and protections
    • Programmable Fail-Safe state
    • LED open-circuit detection
    • LED short-circuit detection
    • Single-LED short-circuit diagnostic
    • Programmable low-VS detection
    • Open-drain FLT pin for fault indication
    • Watchdog and CRC for data line
    • MTP ECC check
    • 8-bit ADC for pin voltage measurement
    • Over-temperature protection
  • ESD protection
    • HBM exceeds 2000V per ANSI/ESDA/JEDEC JS-001 class 2
    • CDM exceeds 500V per ANSI/ESDA/JEDEC JS-002 class C2a

Applications

  • Automotive exterior rear lights
  • Automotive exterior headlights

Videos

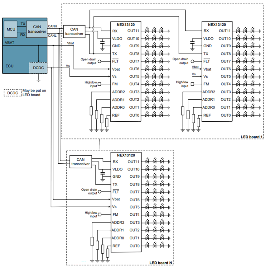
Typical Application Circuit

Application Circuit Diagram - Nexperia NEX13120-Q100 Automotive Linear LED Driver

Application Block Diagram

Block Diagram - Nexperia NEX13120-Q100 Automotive Linear LED Driver
Published: 2025-04-07 | Updated: 2025-08-10