NXP Semiconductors S12ZVM-EFP Electrical Fuel Pump Reference Design

NXP Semiconductors S12ZVM-EFP Electrical Fuel Pump Reference Design is an out-of-box reference design board for a 12V 3-phase permanent magnet synchronous motor (PMSM) automotive electrical fuel pump (EFP). Based on the 16-bit S12 MagniV® S12ZVM Mixed-Signal Microcontrollers, the S12ZVM-EFP uses a smooth cross-over I/F start-up and an initial position detection (IPD) algorithm to ensure the robust and fast start-up for achieving the strict <150ms goal from standstill to the rated speed.

Features

  • Supports 12V power supply system with up to 250W automotive BLDC/PMSM motor control system
  • Supports BLDC/PMSM sensorless FOC control, both dual shunt and single shunt
  • Robust and fast start-up, meeting the strict start-up condition <150ms from standstill to the rated speed
  • Crossing the current I/F start-up and initial position detection algorithm make sure the start-up is successful
  • Board tested against the supply voltage changing, load changing, speed command jumping, and the temperature rising
  • Supports multiple diagnoses and protection strategies using the robust Gate Driver Unit (GDU)
  • Supports over-voltage (OV), under-voltage (UV), short- and over-current (OC), over-temperature (OT), and stall detection
  • Supports speed commands from PWM/FreeMASTER/LIN by user define

Applications

  • Automotive fuel pumps
  • BLDC/PMSM

Technical Resources

Board Layout

NXP Semiconductors S12ZVM-EFP Electrical Fuel Pump Reference Design

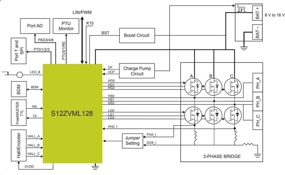
Block Diagram

Block Diagram - NXP Semiconductors S12ZVM-EFP Electrical Fuel Pump Reference Design

Software Block Diagram

Block Diagram - NXP Semiconductors S12ZVM-EFP Electrical Fuel Pump Reference Design
Published: 2020-06-11 | Updated: 2024-10-25