NXP Semiconductors TEA2017AAT LLC & Multimode PFC Controller

NXP Semiconductors TEA2017AAT LLC and Multimode PFC Controller is a digital configurable LLC and PFC combo controller for high-efficiency resonant power supplies. The device includes an LLC controller and PFC controller functionality. The TEA2017AAT can help users build a complete resonant power supply, making it easy to design with a low component count.

The digital architecture is based on a high-speed configurable hardware state machine, ensuring reliable real-time performance. Each configuration can be secured to prevent unauthorized copying of the proprietary NXP Semiconductors TEA2017AAT configuration content. The device comes in a low profile and narrow body-width SO16 package.

Features

  • Complete functionality of a PFC and LLC controller in a single small-size SO16 package
  • Integrated high-voltage start-up
  • Integrated drivers and high-voltage level shifter (LS)
  • The high-side driver directly supplied from the low-side driver's output
  • Accurate boost voltage regulation
  • PFC can be configured to operate in
    • DCM/QR
    • DCM/QR/CCM (also called multimode operation)
    • CCM fixed frequency
  • Integrated X-capacitor discharge without additional external components
  • Power good function
  • PFC jitter for optimized EMI performance
  • Excellent power factor (PF) and total harmonic distortion (THD), as the PFC current compensates for the input filter current
  • Several parameters can easily be configured during evaluation with the use of the graphical user interface (GUI), like
    • Operating frequencies to be outside the audible area at all operating modes
    • Soft start and soft stop in burst mode, reducing the audible noise
    • Accurate transition levels between operation modes (high-power mode/low-power mode/burst mode)
    • Enabling/disabling the lower power mode
  • Valley/zero voltage switching for minimum switching losses
  • Extremely high efficiency from low load to high load
  • Compliant with the most current energy-saving standards and directives (Energy Star, EuP)
  • Excellent no-load input power (< 75 mW for TEA2017AAT/TEA2095T combination)
  • Independently configurable levels and timers
  • Many protections can independently be set to latched, safe restart, or latched after several attempts to restart
    • Supply undervoltage protection (UVP)
    • Overpower protection (OPP)
    • Internal and external overtemperature protection (OTP)
    • Capacitive mode regulation (CMR)
    • Accurate overvoltage protection (OVP)
    • Overcurrent protection (OCP)
    • Inrush current protection (ICP)
    • Brown-in/brown-out protection
    • Disable input

Applications

  • Desktop and all-in-one PCs
  • Gaming power supplies
  • LCD television
  • Notebook adapters and general-purpose adapters
  • Printers
  • Server
  • 5G supplies
  • UHD LED television

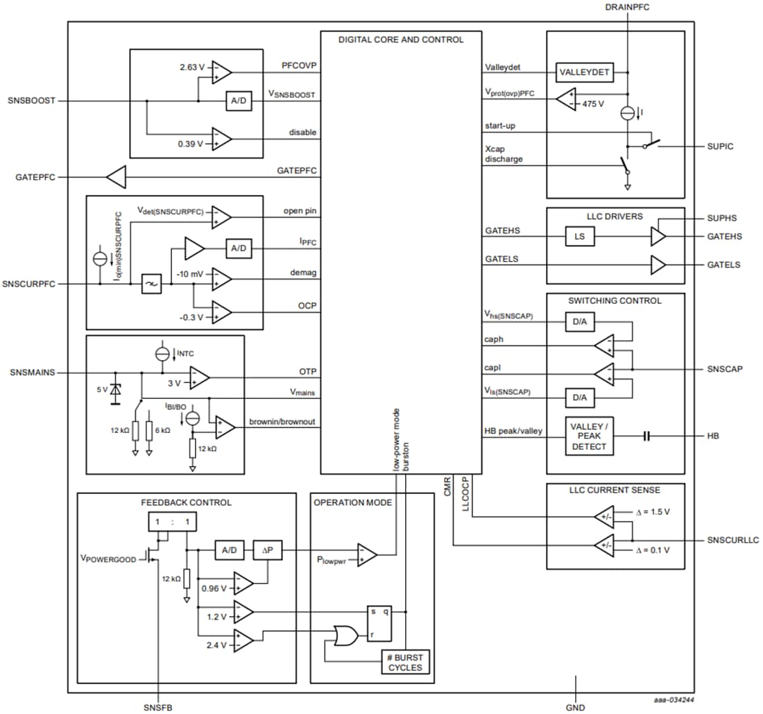
Block Diagram

Block Diagram - NXP Semiconductors TEA2017AAT LLC & Multimode PFC Controller
Published: 2022-05-18 | Updated: 2023-09-26