onsemi ADT7476 Thermal Controller & Voltage Monitor

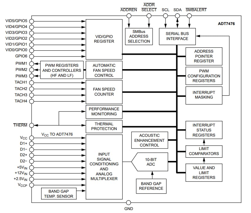
onsemi ADT7476 Thermal Controller and Voltage Monitor is a device with multiple PWM fan controllers for noise-sensitive or power-sensitive applications. The ADT7476 can drive a fan using a low or high-frequency drive signal. This ADT7476 device can monitor the temperature of up to two remote sensor diodes plus its internal temperature. The controller also measures and controls the speed of up to four fans and fans operate at the lowest possible speed for minimum acoustic noise.

The automatic fan speed control loop optimizes fan speed for a given temperature. The effectiveness of the system’s thermal solution can be monitored using the THERM input. onsemi ADT7476 also provides critical thermal protection to the system using the bidirectional THERM pin as an output to prevent system or component overheating.

Features

  • Monitors up to five voltages
  • Controls and monitors up to four fans
  • QSOP-24 package
  • High- and low-frequency fan drive signal
  • One on-chip and two remote temperature sensors
  • Up to +191°C extended temperature measurement range
  • Automatic fan speed control mode controls system cooling based on measured temperature
  • Enhanced acoustic mode dramatically reduces user perception of changing fan speeds
  • Thermal protection via THERM Output
  • Monitors performance impact of Intel® Pentium® 4 Processor
  • Thermal control circuit via THERM Input
  • 3-wire and 4-wire fan speed measurement
  • Limit comparison of all monitored values
  • Meets SMBus 2.0 electrical specifications
  • Lead-free, halogen-free, and RoHS compliant

ADT7476 Block Diagram

Block Diagram - onsemi ADT7476 Thermal Controller & Voltage Monitor

Dimensions

Mechanical Drawing - onsemi ADT7476 Thermal Controller & Voltage Monitor
Published: 2019-11-08 | Updated: 2024-01-31