onsemi NCV7750 Low-Side Relay Driver
onsemi NCV7750 Low-Side Relay Driver is an automotive four-channel driver with up to 600mA drive capability per channel. This relay driver features output control via an SPI port and offers convenient reporting of faults for open load, overload, and over-temperature conditions. The NCV7750 driver comes with outputs that are protected from overload current and includes an output clamp for inductive loads. Typical applications include automotive body and engine control units, relay drives, LED drives, and stepper motor drivers.Features
- 4x low-side channels
- 600mA low-side drivers, 1.1Ω (typical) and 2.2Ω (maximum) RDS(on)
- 16-bit SPI control:
- Frame error detection (8-bit)
- Daisy chain capable
- Parallel input pins for PWM operation
- Power up without open circuit detection active (for LED applications)
- Low quiescent current in sleep and standby modes
- Limp home functionality
- 3.3V and 5V compatible digital input supply range
- Fault reporting:
- Open load detection (selectable)
- Overload
- Overtemperature
- Power-on reset (VDD, VDDA)
- SSOP-24 package (internally fused leads)
- AEC-Q100 qualified and PPAP capable
- Pb-free
Applications
- Automotive body control units
- Engine control units
- Relay drives
- LED drives
- Stepper motor drivers
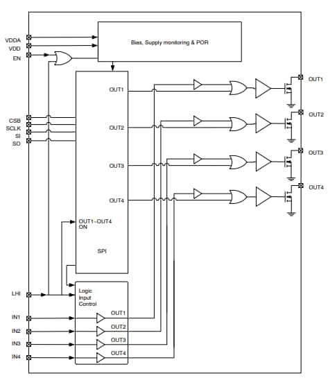
Block Diagram
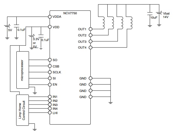
Application Diagram
Published: 2019-07-21
| Updated: 2024-02-13
