onsemi NXH100B120H3Q0 Dual Boost Power Modules

onsemi NXH100B120H3Q0 Dual Boost Power Modules feature high efficiency and superior reliability. The NXH100B120H3Q0 integrated field stop trench IGBTs and SiC Diodes provide lower conduction and switching losses. onsemi NXH100B120H3Q0 Dual Boost Power Modules are ideal for energy storage systems, solar inverters, and uninterruptible power supply (UPS) applications.

Features

  • 1200V ultra field stop IGBTs
  • Low reverse recovery and fast-switching SiC diodes
  • 1600V bypass and anti-parallel diodes
  • Low inductive layout
  • Solderable pins or press-fit pins
  • Thermistor
  • Options with pre-applied thermal interface material (TIM) and without pre-applied TIM

Applications

  • Solar inverters
  • UPS
  • Energy storage systems

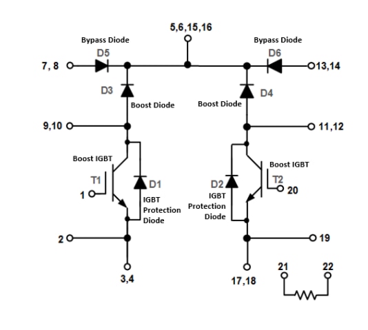
Schematic Diagram

Schematic - onsemi NXH100B120H3Q0 Dual Boost Power Modules
Published: 2019-11-06 | Updated: 2024-06-24