onsemi HCPL3700M Optocouplers

Onsemi HCPL3700M Optocouplers are voltage/current threshold detection devices consisting of an AlGaAs LED connected to a threshold sensing input buffer IC. This IC is optically coupled to a high-gain darlington output. These optocouplers include an input buffer chip capable of controlling threshold levels over a wide range of input voltages with a single resistor. The output is TTL and CMOS compatible. The HCPL3700M optocouplers feature programmable sense voltage and logic level compatibility of the device. These optocouplers are Pb-free and have a threshold guaranteed over a temperature range of 0°C to 70°C. The HCPL3700M optocouplers are suitable for low voltage detection, 5V to 240V AC/DC voltage sensing, relay contact monitor, current sensing, microprocessor interface, and industrial controls.

Features

  • AC or DC input
  • Programmable sense voltage
  • Logic level compatibility
  • Threshold guaranteed over 0°C to 70°C temperature range
  • These are Pb-free devices
  • Safety and regulatory approvals:
    • UL1577, 5000VACRMS for 1 minute
    • DIN EN/IEC60747-5-5

Applications

  • Low voltage detection
  • 5V to 240V AC/DC voltage sensing
  • Relay contact monitor
  • Current sensing
  • Microprocessor interface
  • Industrial controls

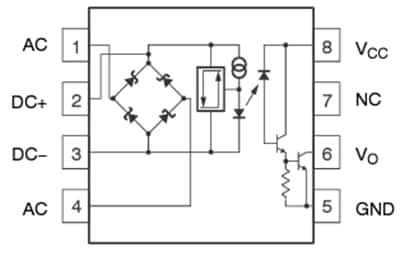
Electrical Connections

Schematic - onsemi HCPL3700M Optocouplers

Block Diagram

Block Diagram - onsemi HCPL3700M Optocouplers
View Results ( 5 ) Page
Part Number Datasheet Package/Case Maximum Continuous Output Current If - Forward Current Fall Time
HCPL3700SDVM HCPL3700SDVM Datasheet PDIP-8 30 mA 0.5 us
HCPL3700SM HCPL3700SM Datasheet SMT-8 100 uA 0.5 us
HCPL3700SDM HCPL3700SDM Datasheet PDIP-8 30 mA 0.5 us
HCPL3700M HCPL3700M Datasheet DIP-8 30 mA 3.7 mA 500 ns
HCPL3700VM HCPL3700VM Datasheet DIP-8 30 mA 4.4 mA 500 ns
Published: 2024-09-30 | Updated: 2024-10-28