onsemi NCP51563 Gate Drivers

onsemi NCP51563 Gate Drivers are isolated dual-channel drivers designed for fast switching to drive power MOSFETs and SiC MOSFET power switches. These drivers offer short and matched propagation delays. The NCP51563 gate drivers feature a 4.5A peak source and 9A peak sink output current capability. These gate drivers operate at -40°C to 150°C junction temperature range. The NCP51563 drivers can be used in possible configurations of two low-side, two high-side switches, or a half-bridge driver with programmable dead time. These drivers feature protection functions such as independent under-voltage lockout for gate drivers and a dead time adjustment function. Applications include motor drives, isolated converters in DC/DC and AC/DC power supply, servers, telecom, industrial infrastructures, and UPS and solar inverters.

Features

  • Flexible:
    • Dual low-side, dual high-side, or half-bridge gate driver
  • 4.5A peak source, 9A peak sink output current capability
  • Independent UVLO protections for both output drivers
  • Output supply voltage from 6.5V to 30V with 5V and 8V for MOSFET, 13V and 17V UVLO for SiC, thresholds
  • Common Mode Transient Immunity (CMTI) > 200V/ns
  • Propagation delay typical 36ns with:
    • 5ns maximum delay matching per channel
    • 5ns maximum pulse-width distortion
  • User programmable input logic:
    • Single or dual-input modes via ANB
    • ENABLE or DISABLE Mode
  • User programmable dead-time
  • Isolation and safety:
    • 5kVRMS isolation for 1 minute (per UL1577 requirements)
    • 8000 VPK reinforced isolation voltage (per VDE0884−11 requirements)
    • CQC certification per GB4943.1−2011
    • SGS FIMO certification per IEC 62386−1
  • Pb-free devices

Applications

  • Motor drives
  • Isolated converters in DC/DC and AC/DC power supply
  • Server, telecom, and industrial infrastructures
  • UPS and solar inverters

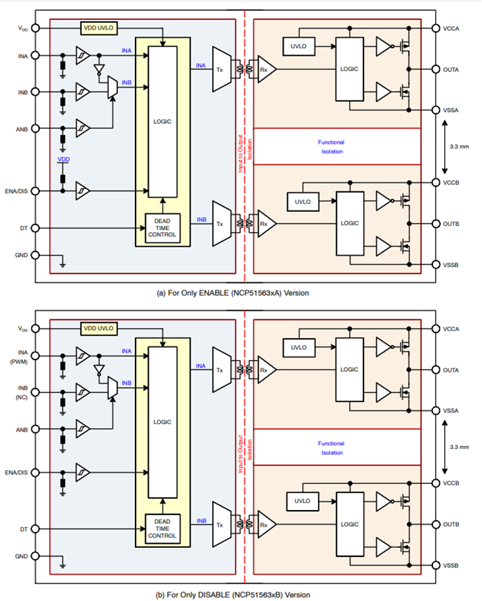
Block Diagram

Block Diagram - onsemi NCP51563 Gate Drivers

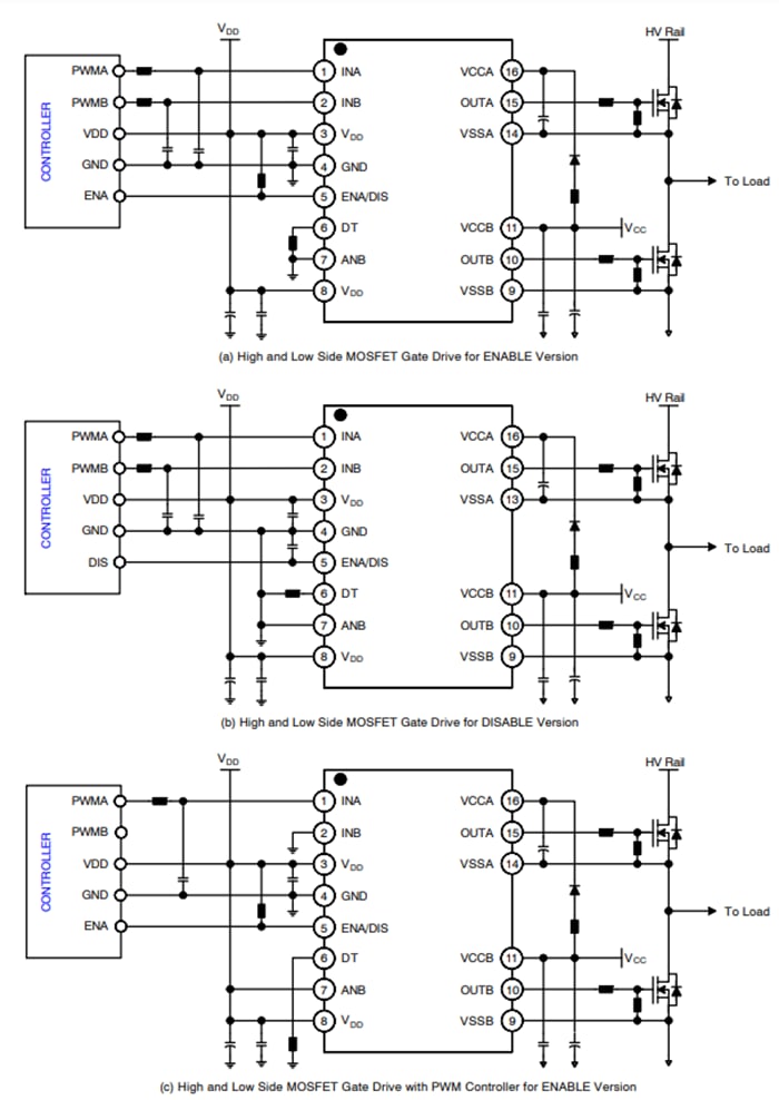
Typical Application Diagram

Application Circuit Diagram - onsemi NCP51563 Gate Drivers
Published: 2023-08-11 | Updated: 2023-11-20