onsemi NCP81567 6+2 Phase Output Controller

onsemi NCP81567 6+2 Phase Output Controller is a two-rail, six plus two-phase buck solution optimized for Intel’s IMVP9.2 CPUs. The multi-phase rail control system is based on Dual-Edge pulse-width modulation (PWM) combined with DCR current sensing. This combination provides an ultra-fast initial response to dynamic load events and reduced system cost. The onsemi NCP81567 offers an ultra-low offset current monitor amplifier with programmable offset compensation for high-accuracy current monitoring.

Features

  • 4.5V to 21V input voltage range
  • Startup into pre-charged loads while avoiding false OVP
  • Digital soft start ramp
  • Adjustable Vboot
  • High impedance differential output voltage amplifier
  • Dual VID table support to be compatible with IMVP9.2
  • Supports high-current extensions
  • Dynamic reference injection
  • Programmable output voltage slew rates
  • Dynamic VID feed-forward
  • Differential current sense amplifiers for each phase
  • Programmable Adaptive Voltage Positioning (AVP)
  • Adjustable switching frequency range
  • Digitally stabilized switching frequency
  • Ultrasonic operation
  • Supports acoustic noise mitigation function
  • Support for VCCIN_AUX IMON input
  • PSYS input monitor
  • Meets Intel’s IMVP9.2 specifications
  • Current mode dual edge modulation for fast initial response to transient loading
  • QFN52 package, 6mm x 6mm
  • Moisture Sensitivity Level (MSL) 1
  • Lead-free and RoHS-compliant

Applications

  • Desktop computers
  • Notebooks
  • Ultra-book computers

Specifications

  • 4.75V to 5.25V VCC range
  • 4.5V to 21V VIN supply range
  • 0.1V to 3V output range
  • ESD capability
    • 200V human body model
    • 750V charged device model
  • 1.5ms minimum phase detect timer
  • Temperatures
    • -40°C to +125°C operating junction range
    • -40°C to +100°C operating ambient range
    • +260°C soldering

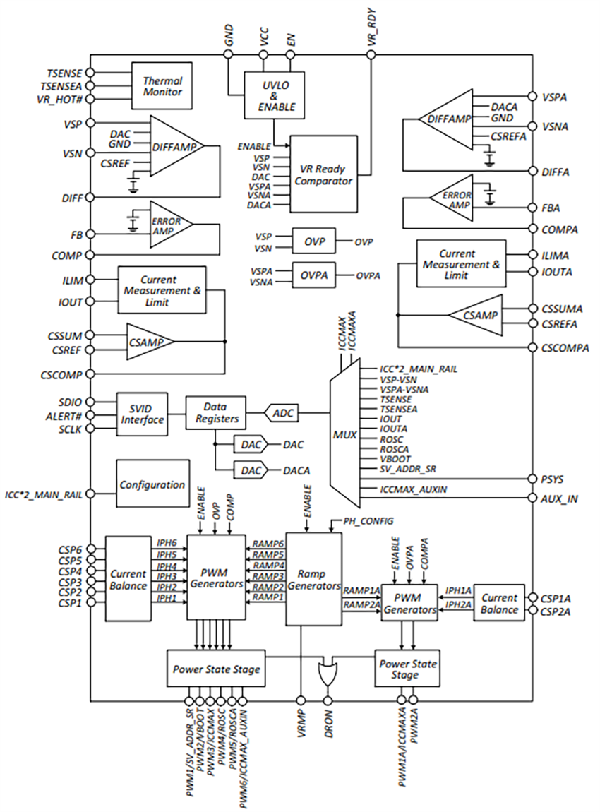
Internal Block Diagram

Block Diagram - onsemi NCP81567 6+2 Phase Output Controller

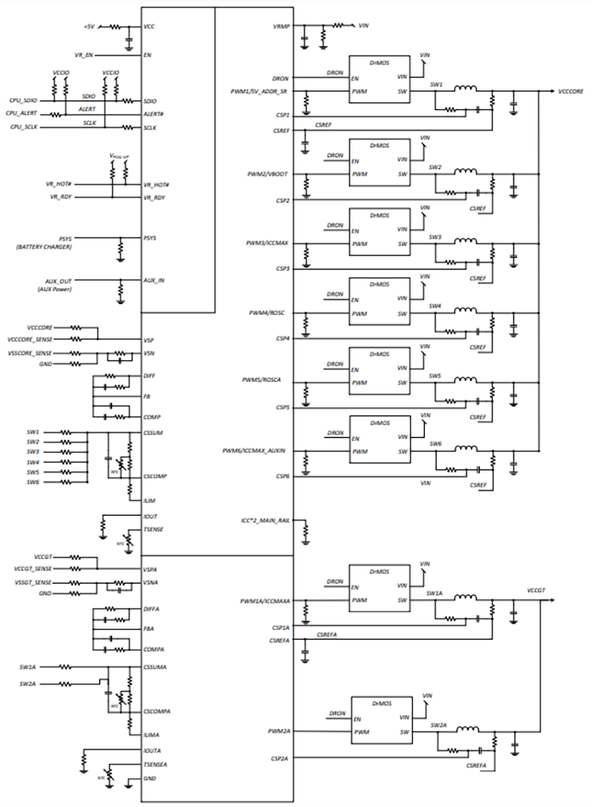
Typical Application Circuit

Application Circuit Diagram - onsemi NCP81567 6+2 Phase Output Controller
Published: 2025-02-26 | Updated: 2025-03-05