onsemi NFA3x512L72 Intelligent Power Modules
onsemi NFA3x12L72 Intelligent Power Modules (IPMs) are advanced modules that provide a fully-featured, high-performance inverter output stage for AC induction, BLDC, and PMSM motors. These modules integrate optimized gate drives of the built-in IGBTs to minimize EMI and losses while providing multiple on-module protection. The NFA3x12L72 modules include a built-in LVIC temperature-sensing for temperature monitoring. These protection features include Under-Voltage Lockouts (UVLO), over-current shutdown, thermal monitoring of drive IC, and fault reporting. The NFA3x12L72 modules feature 2500Vrms/1min isolation rating, 1200V collector-emitter voltage, and 25A each IGBT collector current. Typical applications include HVAC, heat pumps, commercial air conditioners, VFD, servo motors, robotics, variable frequency drives, and industrial automation.Features
- 1200V/15A 3-phase FS7 IGBT inverter with integral gate drivers and protections
- Built-in Under-Voltage Protection (UVP)
- Separated open-emitter pins from low−side IGBTs for three-phase current sensing
- LVIC temperature-sensing built-in for temperature monitoring
- 2500Vrms/1min isolation rating
- Pb-free
- RoHS-compliant
Applications
- HVAC
- Heat pumps
- Commercial air conditioners
- Industrial pumps and fans
- VFD
- Servo motors
- Robotics
- Variable frequency drive
- Industrial automation
Internal Block Diagram
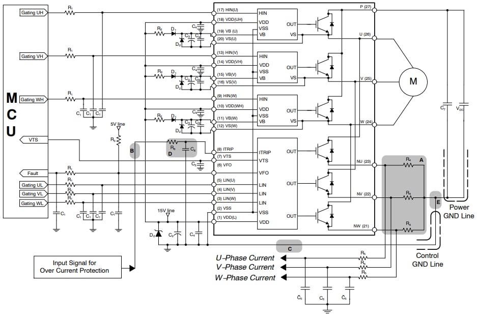
Typical Application Circuit Diagram
Published: 2024-07-26
| Updated: 2024-08-22
