Toshiba TLP5795H Infrared LED & Photo IC Photocouplers
Toshiba TLP5795H Infrared LED & Photo IC Photocouplers are high-performance photocouplers designed for robust and efficient signal isolation in industrial and power electronics applications. Housed in a compact SO6L package, the Toshiba TLP5795H features a high common-mode transient immunity (CMTI) of 100kV/μs (minimum) and operates with a wide 15V to 30V supply voltage range, ideal for use in harsh electrical environments. The devices integrate a high-speed photodetector and amplifier, enabling fast switching with a typical propagation delay of 150ns. With a high isolation voltage of 5000VRMS and compliance with safety standards such as UL1577 and EN60747-5-5, the TLP5795H is particularly well-suited for gate driving in IGBT and MOSFET circuits, inverter control, and signal transmission in motor drives and power supplies. Low power consumption and high reliability make the Toshiba TLP5795H photocouplers a strong choice for modern, space-constrained designs requiring robust electrical isolation.Features
- Buffer logic type (totem pole output)
- -4.5A/+5.3A typical output peak current
- 3.0mA maximum supply current
- 15V to 30V supply voltage range
- 4mA maximum input threshold current
- 150ns maximum propagation delay time
- ±35kV/µs minimum common-mode transient immunity
- 5000VRMS minimum isolation voltage
- -40°C to +125°C operating temperature range
- Safety standards
- UL-recognized per UL 1577, File No. E67349
- cUL-recognized per CSA Component Acceptance Service No.5A File No. E67349
- VDE-approved per EN IEC 60747-5-5, EN IEC 62368-1
- CQC-approved per GB4943.1 Thailand Factory
Applications
- Industrial inverters
- MOSFET gate drivers
- IGBT gate drivers
- Photovoltaic (PV) power conditioning systems
- Air conditioner inverters
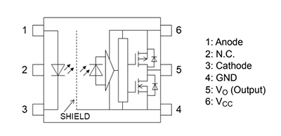
Pin Assignment
Internal Circuit
Note: A 1µF bypass capacitor must be connected between pin 6 and pin 4.
It is not recommended that a current flow be applied to the body diode at the output stage MOSFET.
Published: 2025-05-29
| Updated: 2025-06-09
