Qorvo QPA2735 GaAs Low Noise Amplifier

Qorvo QPA2735 GaAs Low Noise Amplifier is a high-performance, low-noise amplifier operating in a 13GHz to 20GHz frequency range. This amplifier features a 25.5dB small signal gain, 18dBm power at 1dB compression, 1.3dB noise figure, and IMD3 levels of -60dBc (at Pout=0dBm/tone). The QPA2735 GaAs amplifier is available in a small 4mm x 4mm plastic overmold QFN package. This low-noise amplifier is ideal for satellite communications and point-to-point communications.

Features

  • 13GHz to 20GHz frequency range
  • 1.3dB noise figure
  • 25.5dB small signal gain
  • 18dBm power at 1dB compression
  • 23dBm saturation power
  • -60dBc (@ Pout = 0dBm/tone) IMD3
  • VD = 3.5V, IDQ = 105mA, VG = -0.46V bias
  • Plastic over-mold package
  • 4mm x 4mm x 0.85mm package dimensions

Applications

  • Satellite communications
  • Point-to-point communications

Functional Block Diagram

Block Diagram - Qorvo QPA2735 GaAs Low Noise Amplifier

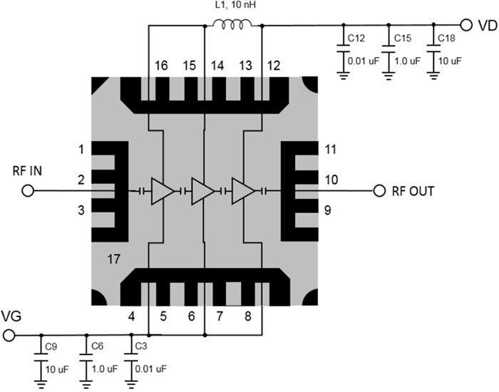
Application Circuit Diagram

Application Circuit Diagram - Qorvo QPA2735 GaAs Low Noise Amplifier

Dimension Diagram

Mechanical Drawing - Qorvo QPA2735 GaAs Low Noise Amplifier
Published: 2025-07-03 | Updated: 2025-07-11