Qorvo QPA9419-PCB Evaluation Board
Qorvo QPA9419-PCB Evaluation Board is designed specifically to evaluate QPA9419 high linearity 0.5W small-cell power amplifier. This board operates at a frequency range of 1.93GHz to 1.99GHz. The QPA9419-PCB board from Qorvo operates from 3.6V to 5.25V supply voltage and -40°C to +85°C operating temperature range.Features
- 1.93GHz to 1.99GHz frequency range
- 3.6V to 5.25V operating supply voltage
- -40°C to +85°C operating temperature range
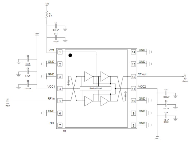
QPA9419-PCB Schematic Diagram
Videos
Published: 2016-08-09
| Updated: 2022-03-11
